1.28. Схемы выпрямителей для источников питания
Двухполупериодная мостовая схема. На рис. 1.74 показана схема источника питания постоянного тока с мостовым выпрямителем, который мы только что рассмотрели. Промышленность изготавливает мостовые схемы в виде функциональных модулей. Маленькие мостовые модули рассчитаны на предельный ток 1 А и напряжение пробоя от 100 до 600 В. а иногда до 1000 В. Для больших мостовых выпрямителей предельный ток равен 25 А и выше.

Рис. 1.74. Схема мостового выпрямителя. Значок полярности и электрод в виде дуги служат для обозначения поляризованного конденсатора, заряжать его с другой полярностью недопустимо.
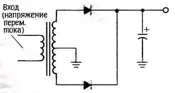
Двухлолупериодный однофазный выпрямитель. Схема двухполупериодного однофазного выпрямителя приведена на рис. 1.75. Выходное напряжение здесь в 2 раза меньше, чем в схеме мостового выпрямителя. Схема двухполупериодного однофазного выпрямителя не является эффективной с точки зрения использования трансформатора, так как каждая половина вторичной обмотки используется только в одном полупериоде. В связи с этим ток в обмотке за этот интервал времени в 2 раза больше, чем в простой двухполупериодной схеме. Согласно закону Ома, температура нагрева обмотки пропорциональна произведению I²R, значит, за время в 2 раза меньшее нагрев будет в 4 раза больше или в среднем больше по сравнению с эквивалентной двухполупериодной схемой. Трансформатор для этой схемы следует выбирать так, чтобы его предельный ток был в 1,4 (в √2) раз больше, чем у трансформатора мостовой схемы, в противном случае такой выпрямитель будет более дорогим и более громоздким, чем мостовой.

Рис. 1.75. Двухполупериодный выпрямитель на основе трансформатора со средней точкой.

Рис. 1.76.
Упражнение 1.28. Это упражнение поможет вам разобраться в механизме нагрева обмотки, пропорционального I²R, и понять, в чем проявляется недостаток однофазного выпрямителя. На какое предельное минимальное значение тока должен быть расчитан плавкий предохранитель, чтобы в цепи мог протекать ток, изменяющийся согласно графику, показанному на рис. 1.76, и имеющий среднюю амплитуду 1 А? Подсказка: предохранитель «перегорает», когда в цепи начинает протекать ток, превышающий предельное значение тока предохранителя. При этом в предохранителе расплавляется металлический проводник (температура его нагрева пропорциональна I²R). Допустим, что и в нашем случае температурная постоянная времени для плавкого предохранителя значительно больше, чем период прямоугольных колебаний, т. е. предохранитель реагирует на значение I², осредненное за несколько периодов входного сигнала.
Расщепление напряжения питания. Широко распространена мостовая однофазная двухполупериодная схема выпрямителя, показанная на рис. 1.77. Она позволяет рсщеплять напряжение питания (получать на выходе одинаковые напряжения положительной и отрицательной полярности). Эта схема эффективна, так как в каждом полупериоде входного сигнала используются обе половины вторичной обмотки.

Рис. 1.77. Формирование двухполярного (расщепленного) напряжения питания.

Рис. 1.78. Удвоитель напряжения.
Выпрямители с умножением напряжения. Схема, показанная на рис. 1.78, называется удвоителем напряжения. Для того чтобы понять, как работает эта схема, представьте, что она состоит из двух последовательно соединенных выпрямителей. Фактически эта схема является двухполупериодным выпрямителем, так как она работает в каждом полупериоде входного сигнала - частота пульсаций в 2 раза превышает частоту колебаний питающей сети (для сети с частотой 60 Гц, как в США, частота пульсаций составляет 120 Гц). Разновидности этой схемы позволяют увеличивать напряжение в 3, 4 и более раз. На рис. 1.79 показаны схемы выпрямителей, обеспечивающие увеличение напряжения в 2, 3 и 4 раза, в которых один конец обмотки трансформатора заземлен.

РРис. 1.79. Схемы умножения напряжения; наличие источника с плавающим напряжением в представленных схемах не обязательно.