1.30. Примеры использования диодов
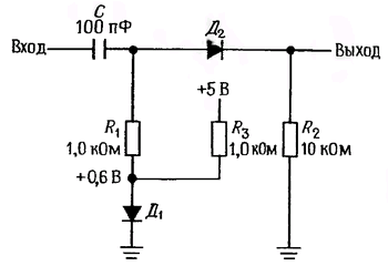
Выпрямление сигналов. Бывают такие случаи, помимо тех, что мы рассмотрели выше, когда сигнал должен иметь только одну полярность. Если входной сигнал не является синусоидальным, то говорить о его выпрямлении не принято, хотя процесс выпрямления применим и к нему. Например, требуется получить последовательность импульсов, совпадающих с моментами нарастания прямоугольного сигнала. Проще всего продифференцировать прямоугольный сигнал, а затем выпрямить его (рис. 1.81). Следует всегда иметь в виду, что прямое напряжение диода составляет приблизительно 0,6 В. На выходе нашей схемы, например, сигнал будет получен лишь в том случае, когда двойная амплитуда прямоугольного входного сигнала будет не меньше 0,6 В. Это условие накладывает определенные ограничения на разработку схемы, но известны приемы, с помощью которых их можно преодолеть. Например, можно воспользоваться диодом Шоттки для которого прямое напряжение составляет около 0,25 В (можно также использовать так называемый обращенный диод с нулевым прямым напряжением, но его применение ограничено из-за того, что он имеет малое напряжение пробоя). Можно также воспользоваться схемой, показанной на рис. 1.82. Прямое напряжение на диоде Д2 компенсируется за счет диода Д1, обеспечивающего смещение величиной 0,6 В. Это смещение определяет порог проводимости для Д2. Формирование смещения с помощью диода Д1 (а не с помощью, например, делителя напряжения) имеет следующие преимущества: нет необходимости проводить регулировку уровня смещения, так как схема обеспечивает почти идеальную компенсацию; изменение прямого напряжения диодов (связанное, например, с изменением температуры) компенсируется и не сказывается на работе схемы. В дальнейшем мы еще не раз встретим компенсации изменений прямого напряжения с помощью согласованной пары диодов, транзисторов и полевых транзисторов: этот прием очень эффективен и прост в исполнении.

Рис. 1.81.

Рис. 1.82. Компенсация прямою напряжения на диоде в схеме диодного ограничителя сигналов.
Диодные вентили. Еще одна область применения диодов основана на их способности пропускать большее из двух напряжений, не оказывая влияния на меньшее. Схемы, в которых используется это свойство, объединены в семейство логических схем. Рассмотрим схему с резервной батареей питания - она используется в устройствах, которые должны работать непрерывно даже при отключениях питания (например, точные электронные часы). Схема, показанная на рис. 1.83, включает как раз такую батарею. В отсутствие сбоев питания батарея не работает, при возникновении сбоя питание на схему начинает поступать от батареи, при этом перерыва в подаче питания не происходит.

Рис. 1.83. Диодный вентиль или с резервной батареей питания.
Упражнение 1.29. Измените схему так, чтобы батарея заряжалась от источника постоянного тока (в том случае, разумеется, когда питание есть) током 10 мА (такая схема нужна для того, чтобы поддерживать заряд батареи).
Диодные ограничители. В тех случаях, когда необходимо ограничить диапазон изменения сигнала, например напряжения, можно воспользоваться схемой, показанной на рис. 1.84. Благодаря диоду выходное напряжение не может превышать значения +5,6 В, при этом наличие диода никак не сказывается на меньших значениях напряжения (в том числе и ни отрицательных); единственное условие состоит в том, что отрицательное входное напряжение не должно достигать значения напряжения пробоя (например, для диода типа 1N914 это значение составляет - 70 В). Во всех схемах семейства цифровых логических КМОП - схем используются входные диодные ограничители. Они предохраняют эти чувствительные схемы от разрушения под действием разрядов статического электричества.

Рис. 1.84. Диодный ограничитель напряжения.
Упражнение 1.30. Разработайте схему симметричного ограничителя, задающего диапазон изменения сигнала от -5,6 до +5,6 В.

Рис. 1.85.

Рис. 1.86.
Эталонное опорное напряжение можно подавать на ограничитель от делителя напряжения (рис. 1.85). Если делитель напряжения заменить его эквивалентной схемой, то исходная схема преобразуется к виду, представленному на рис. 1.86. Анализируя преобразованную схему, можно заключить, что импеданс со стороны выхода делителя напряжения (Raen) должен быть мал по сравнению с сопротивлением R. Когда диод открыт (входное напряжение превышает напряжения ограничения), выходное напряжение совпадает с напряжением, снимаемым с делителя, при этом нижнее плечо делителя представлено эквивалентным сопротивлением (рис. 1.87). Следовательно, для указанных параметров схемы выходное напряжение для треугольного входного сигнала будет иметь вид, показанный на рис. 1.88. Затруднение здесь возникает в связи с тем. что делитель напряжения не обеспечивает жестко фиксированного значения эталонного напряжения. Хорошо зафиксированный опорный эталонный сигнал не «плывет», а это значит, что источник такого напряжения обладает небольшим импедансом (имеется в виду эквивалентный импеданс).

Рис. 1.87.

Рис. 1.88.
Диодные вентили. Еще одна область применения диодов основана на их способности пропускать большее из двух напряжений, не оказывая влияния на меньшее. Схемы, в которых используется это свойство, объединены в семейство логических схем. Рассмотрим схему с резервной батареей питания - она используется в устройствах, которые должны работать непрерывно даже при отключениях питания (например, точные электронные часы). Схема, показанная на рис. 1.83, включает как раз такую батарею. В отсутствие сбоев питания батарея не работает, при возникновении сбоя питание на схему начинает поступать от батареи, при этом перерыва в подаче питания не происходит.

Рис. 1.83. Диодный вентиль ИЛИ с резервной батареей питания.
Упражнение 1.29. Измените схему так, чтобы батарея заряжалась от источника постоянного тока (в том случае, разумеется, когда питание есть) током 10 мА (такая схема нужна для того, чтобы поддерживать заряд батареи).
Диодные ограничители. В тех случаях, когда необходимо ограничить диапазон изменения сигнала, например напряжения, можно воспользоваться схемой, показанной на рис. 1.84. Благодаря диоду выходное напряжение не может превышать значения +5,6 В, при этом наличие диода никак не сказывается на меньших значениях напряжения (в том числе и ни отрицательных); единственное условие состоит в том, что отрицательное входное напряжение не должно достигать значения напряжения пробоя (например, для диода типа 1N914 это значение составляет - 70 В). Во всех схемах семейства цифровых логических КМОП - схем используются входные диодные ограничители. Они предохраняют эти чувствительные схемы от разрушения под действием разрядов статического электричества.

Рис. 1.84. Диодный ограничитель напряжения.
Упражнение 1.30. Разработайте схему симметричного ограничителя, задающего диапазон изменения сигнала от -5,6 до +5,6 В.

Рис. 1.85.

Рис. 1.86.
Эталонное опорное напряжение можно подавать на ограничитель от делителя напряжения (рис. 1.85). Если делитель напряжения заменить его эквивалентной схемой, то исходная схема преобразуется к виду, представленному на рис. 1.86. Анализируя преобразованную схему, можно заключить, что импеданс со стороны выхода делителя напряжения (Raen) должен быть мал по сравнению с сопротивлением R. Когда диод открыт (входное напряжение превышает напряжения ограничения), выходное напряжение совпадает с напряжением, снимаемым с делителя, при этом нижнее плечо делителя представлено эквивалентным сопротивлением (рис. 1.87). Следовательно, для указанных параметров схемы выходное напряжение для треугольного входного сигнала будет иметь вид, показанный на рис. 1.88. Затруднение здесь возникает в связи с тем. что делитель напряжения не обеспечивает жесткофиксированного значения эталонного напряжения. Хорошо зафиксированный опорный эталонный сигнал не «плывет», а это значит, что источник такого напряжения обладает небольшим импедансом (имеется в виду эквивалентный импеданс).

Рис. 1.87.

Рис. 1.88.
На рис. 1.85 показан простой способ, с помощью которого можно «зафиксировать» схему ограничителя по крайней мере для высокочастотных сигналов - для этого к резистору 1 кОм нужно подключить шунтирующий конденсатор. Например, конденсатор емкостью 15 мкФ с одним заземленным выводом на частотах выше 1 кГц уменьшает импеданс со стороны входа делителя до значения ниже 10 Ом. (Аналогично можно подключить конденсатор к Д1, как показано на рис. 1.82). Само собой разумеется, эффективность этого приема тем ниже, чем ниже частота, а для постоянного тока этот прием просто бесполезен.
На практике малое значение импеданса эталонного источника обеспечивается за счет использования транзистора или операционного усилителя. Такой способ, конечно, лучше, чем использование резисторов с очень малым сопротивлением, так как он не приводит к потреблению больших токов и обеспечивает значения импеданса порядка нескольких ом и ниже. Следует отметить, что известны и другие схемы ограничения, в которых используются операционные усилители. Об этих схемах мы поговорим в гл. 4.
Интересным примером является использование ограничителя для восстановления сигнала по постоянному току в случае емкостной связи по переменному току. Смысл сказанного поясняет рис. 1.89. Подобные приемы необходимо использовать в схемах, входы которых работают аналогично диодам (например, это могут быть транзисторы с заземленным эмиттером), в противном случае при наличии емкостной связи сигнал просто пропадает.

Рис. 1.89. Восстановление сигнала по постоянному току.
Двусторонний ограничитель. Еще один ограничитель показан на рис. 1.90. Эта схема ограничивает «размах» выходного сигнала и делает его равным падению напряжения на диоде, т.е. приблизительно 0,6 В. Может показаться, что это очень малое значение, но если следующим каскадом схемы является усилитель с большим коэффициентом усиления по напряжению, то входной сигнал для него всегда должен быть немногим больше чем 0 В, иначе усилитель попадет в режим «насыщения» (например, если коэффициент усиления каскада равен 1000, а питающее напряжение составляет ±15 В, то входной сигнал не должен превышать диапазон ±15 мВ). Описанная схема часто используется в качестве защиты на входе усилителя с большим коэффициентом усиления.

Рис. 1.90. Диодный ограничитель.
Диоды как нелинейные элементы. Мы получим достаточно хорошее приближение, если будем считать, что ток через диод пропорционален экспоненциальной функции от напряжения на нем при данной температуре (точная зависимость между током и напряжением дается в разд. 2.10). В связи с этим диод можно использовать для получения выходного напряжения, пропорционального логарифму тока (рис. 1.91). Поскольку напряжение U лишь незначительно отклоняется от значения 0,6 В (под воздействием колебаний входного тока), входной ток можно задавать с помощью резистора при условии, что входное напряжение значительно превышает падение напряжения на диоде (рис. 1.92).

Рис. 1.91. Логарифмический преобразователь: идея схемы основана на нелинейной вольт - амперной характеристике диода.

Рис. 1.92.
На практике иногда желательно, чтобы в выходном напряжении присутствовало смещение 0,6 В, обусловленное падением напряжения на диоде. Кроме того, желательно, чтобы схема не реагировала на изменения температуры. Эти требования позволяет удовлетворить метод диодной компенсации (рис. 1.93). Резистор R1 открывает диод Д2 и создает в точке А напряжение, равное - 0,6 В. Потенциал точки В близок к потенциалу земли (при этом ток Iвх строго пропорционален напряжению Uвх). Если два одинаковых диода находятся в одинаковых температурных условиях, то напряжения на них полностью компенсируют друг друга, за исключением, конечно, той разницы, которая обусловлена входным током, протекающим через диод Д1, и которая определяет выходное напряжение. Для этой схемы резистор R1 следует выбирать таким, чтобы ток через диод Д2 был значительно больше максимального входного тока. При этом условии диод Д2 будет открыт.

Рис. 1.93. Компенсация падения напряжения на диоде в логарифмическом преобразователе.
В главе, посвященной операционным усилителям, мы рассмотрим более совершенные схемы логарифмических преобразователей и более точные методы температурной компенсации. Они позволяют обеспечивать высокую точность преобразования - ошибка достигает всего нескольких процентов для шести и более декад изменения входного тока. Но для того, чтобы заняться такими схемами, необходимо сначала изучить характеристики диодов, транзисторов и операционных усилителей. Настоящий раздел служит лишь предисловием к такому изучению.