Модель Эберса-Молла для основных транзисторных схем
2.13. Смещение в усилителе с обшим эмиттером
Существует возможность задать смещение в усилителе с общим эмиттером и при необходимости получения максимально возможного коэффициента усиления (или если усилительный каскад охвачен петлей обратной связи). Есть три варианта схем смещения, которые можно комбинировать между собой: с помощью шунтируемого резистора в эмиттерной цепи, с помощью согласованного транзистора и с помощью обратной связи по постоянному току.
Шунтируемый резистор в эмиттерной цепи. Смещение можно обеспечить с помощью шунтируемого резистора в эмиттерной цепи, как показано на рис. 2.37. Для того чтобы облегчить задачу создания смещения, резистор Rэ выбран так, что его сопротивление составляет 0,1Rк: если резистор Rэ слишком мал, то напряжение на эмиттере будет намного меньше, чем падение напряжения между базой и эмиттером, а это приведет к температурной нестабильности точки покоя, так как напряжение Uбэ зависит от температуры.

Рис. 2.37. Шунтируемый резистор в эмиттерной цепи можно использовать для получения стабильного смешения в усилителе с заземленным эмиттером.
Шунтирующий эмиттерный конденсатор следует выбирать так, чтобы его импеданс был небольшим по сравнению с rэ (а не с Rэ) на самой низкой из интересующих вас частот. В данном случае его импеданс составляет 25 Ом на частоте 650 Гц. В диапазоне рабочих частот входного сигнала для выбора входного конденсатора межкаскадной связи существенно, что входное сопротивление схемы определяется параллельным соединением сопротивления 10 кОм и входного сопротивления транзистора со стороны базы, в данном случае-это сопротивление 25 Ом, умноженное на h21э, т.е. приблизительно 2,5 кОм. Для сигналов постоянного тока сопротивление со стороны базы значительно больше (сопротивление эмиттерного резистора, умноженное на h21э, т.е. приблизительно 100 кОм), и именно благодаря этому можно обеспечить стабильное смещение.
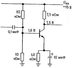
Одна из разновидностей рассмотренной схемы отличается использованием в эмиттерной цепи двух последовательных резисторов, один из которых шунтируется. Например, нужно спроектировать усилитель, коэффициент усиления которого равен 50, ток покоя - 1 мА, а напряжение Uкк составляет +20 В; частота сигнала может изменяться от 20 Гц до 20 кГн. Если для решения поставленной задачи вы выберете схему с общим эмиттером, то получите усилитель, показанный на рис. 2.38. Коллекторный резистор выбран так, чтобы коллекторное напряжение покоя составляло 0,5 Uкк. Эмиттерный резистор выбран с учетом требуемого значения коэффициента усиления и влияния rэ, составляющего 25/Iк(мА). Трудность состоит в том, что эмиттерное напряжение, равное лишь 0,175 В, будет подвержено существенным изменениям. Дело в том, что падение напряжения на переходе база-эмиттер, равное ≈ 0,6 В, зависит от температуры (относительное изменение составляет примерно - 2,1 мВ/°С). тогда как напряжение на базе поддерживается постоянным с помощью резисторов R1 и R2: например, вы можете убедиться, что при увеличении температуры на 20 °С коллекторный ток возрастает примерно на 25%.

Рис. 2.38.
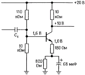
Это неприятное явление можно устранить, если включить в эмиттерную цепь дополнительный зашунтированный конденсатором резистор, который не будет влиять на коэффициент усиления в рабочем диапазоне частот (рис. 2.39). Как и в предыдущей схеме, коллекторный резистор выбран здесь так, чтобы напряжение на коллекторе было равно 10 В (0.5 Uкк). Нешунтируемый резистор в цепи эмиттера выбран таким образом, чтобы с учетом собственного сопротивления эмиттера, составляющего rэ = 25/Iк(мА), коэффициент усиления был равен 50. Дополнительное сопротивление в цепи эмиттера должно быть таким, чтобы смешение было стабильным (хороший результат дает сопротивление, в 10 раз меньшее коллекторного). Напряжение базы выбрано так, чтобы ток эмиттера был равен 1 мА, при условии что сопротивление цепи смещения составляет десятую часть от сопротивления по постоянному току со стороны базы (в данном случае около 100 кОм). Сопротивление шунтирующего конденсатора в цепи эмиттера должно быть небольшим по сравнению с сопротивлением 180 + 25 Ом на самой низкой частоте диапазона. И наконец, входной конденсатор межкаскадной связи должен иметь небольшой импеданс по сравнению с входным сопротивлением усилителя на частоте входного сигнала, которое определяется параллельным соединением сопротивления делителя напряжения и сопротивления (180 + 25)/h21э Ом (на частотах входного сигнала сопротивление 820 Ом шунтировано конденсатором и равноценно замкнутой накоротко цепи).

Рис. 2.39. Усилитель с общим эмиттером, обладающий стабильным смещением, линейностью и большим коэффициентом усиления по напряжению.

Рис. 2.40. Другой вариант схемы, показанной на рис. 2.39.
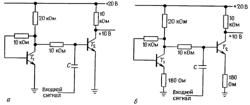
В другом варианте этой схемы цепи сигнала и постоянного тока разделены (рис. 2.40). Это разделение позволяет изменять коэффициент усиления (за счет резистора 180 Ом), не изменяя смещения.
Использование согласованного транзистора. Для получения напряжения базы, обеспечивающего нужный ток коллектора, можно использовать согласованные транзисторы, при этом будет обеспечена автоматическая температурная компенсация (рис. 2.41). В цепи коллектора транзистора Т1 протекает ток 1 мА. потенциал коллектора близок потенциалу земли (точнее, превышает потенциал земли примерно на величину падения напряжения Uбэ): если транзисторы Т1 и Т2 представляют собой согласованную пару (например, два транзистора, изготовленных на одном кристалле кремния), то смешение транзистора Т2 будет таким, что этот транзистор также будет порождать ток 1 мА и напряжение на его коллекторе будет равно 4 - 10 В. при этом симметричный сигнал на коллекторе может иметь размах ± 10 В. Изменение температуры не влияет на работу схемы, так как оба транзистора находятся в одинаковых температурных условиях. Вот чем хороши «монолитные» сдвоенные транзисторы.

Рис. 2.41. Схема смещения, в которой компенсируется падение напряжения между базой и эмиттером Uбэ.
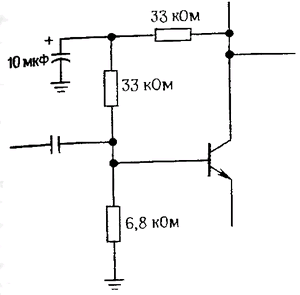
Обратная связь по постоянному току. Для стабилизации точки покоя (рабочей точки) можно использовать обратную связь по постоянному току. Один из методов такой стабилизации показан на рис. 2.42. Определенное улучшение стабильности можно получить, если напряжение смешения подавать с коллектора, а не от источника Uкк. Напряжение на базе превышает потенциал земли на величину падения напряжения на диоде; так как напряжение смещения снимается с делителя 10:1, то напряжение на коллекторе превышает потенциал земли на величину, равную падению напряжения на диоде, увеличенному в 11 раз, т. е. составляет ≈ 7 В. Эта схема уменьшает склонность к насыщению (которая может возникнуть, например, если коэффициент β будет необычно большим) за счет того, что при уменьшении коллекторного напряжения уменьшается напряжение смещения на базе. Эту схему можно использовать в тех случаях, когда не нужна высокая стабильность. Точка покоя (выхода) подвержена дрейфу примерно на 1 В за счет изменений температуры окружающей среды. Это связано с тем, что напряжение между базой и эмиттером имеет большой температурный коэффициент. Большей стабильностью обладает схема, в которой петля обратной связи охватывает несколько каскадов усиления. Примеры вы увидите там, где речь пойдет об обратной связи.

Рис. 2.42. Стабильность смещения обеспечивается за счет обратной связи.
Для того, чтобы понять, как работает эта схема, нужно внимательнее рассмотреть обратную связь. Например, обратная связь уменьшает входной и выходной импедансы. Для входного сигнала сопротивление R1 уменьшено за счет усиления по напряжению, которым обладает каскад. В данном случае резистор R1 эквивалентен резистору с сопротивлением 200 Ом, один конец которого заземлен. В следующей главе мы рассмотрим обратную связь более подробно, и тогда вы сможете определить коэффициент усиления по напряжению и входной и выходной импедансы данной схемы.
Отметим, что сопротивление резистора смещения базы можно увеличить, и тогда увеличится входной импеданс схемы, но ток базы уже нельзя будет считать пренебрежимо малым. Можно, например, взять такие резисторы: R1 = 220 кОм и R2 = 33 кОм. Другая возможность состоит в том, что в цепь обратной связи можно включить шунтирующий конденсатор, как показано на рис. 2.43. При этом удается избавиться от обратной связи (а следовательно, и от пониженного входного импеданса) на частотах сигнала.

Рис. 2.43. Устранение обратной связи на частотах сигнала.
Некоторые замечания относительно смещения и усиления. Первое важное замечание касается усилительных каскадов с заземленным эмиттером: создается впечатление, что коэффициент усиления по напряжению можно увеличить за счет увеличения тока покоя, так как собственное сопротивление эмиттера rэ уменьшается при увеличении тока. Однако, хотя rэ и уменьшается при увеличении коллекторного тока, для получения того же самого рабочего напряжения на коллекторе приходится использовать меньший коллекторный резистор, и в результате выигрыша нет. На самом деле можно показать, что в усилителе с заземленным эмиттером, смещенным так, что напряжение покоя составляет 0,5 Uкк, коэффициент усиления по напряжению для малого сигнала равен К ≅ 20 Uкк независимо от величины тока покоя (рабочего тока).
Упражнение 2.10. Докажите, что сделанное выше утверждение справедливо.
Если требуется увеличить коэффициент усиления каскада по напряжению, то можно, например, в качестве активной нагрузки использовать источник тока. Так как источник тока обладает очень большим импедансом, то на одном каскаде можно получить коэффициент усиления по напряжению, равный 1000 и выше. Такой подход не пригоден в схемах со смещением, которые мы рассмотрели выше; каскад должен являться частью схемы, охваченной общей петлей обратной связи по постоянному току. Об этом поговорим в следующей главе. Внешняя нагрузка такого усилителя обязательно должна быть велика, в противном случае усиление, полученное за счет большого коллекторного сопротивления, будет потеряно. В качестве такой высокоомной нагрузки можно использовать эмиттерный повторитель, полевой транзистор или операционный усилитель.
В радиочастотных усилителях, предназначенных для резонансного усиления в узкой полосе частот, в качестве коллекторной нагрузки принято использовать параллельный LC - контур; в этом случае можно получить очень большой коэффициент усиления по напряжению, так как на частоте сигнала LC - контур обладает большим импедансом (как источник тока), а его импеданс по постоянному току мал. LC - контур можно перестраивать и благодаря резонансной характеристике он подавляет сигналы, лежащие за пределами рабочего диапазона. К преимуществам этой схемы можно отнести также возможность получения размаха выходного сигнала, равного 2Uкк, и возможность использования трансформаторной связи.
Упражнение 2.11. Разработайте резонансный усилительный каскад с общим эмиттером для частоты 10 кГц. Используйте в схеме шунтированный эмиттерный резистор и установите ток покоя величиной 1 мА. Пусть Uкк = +15 В, a L = 1,0 мГн; параллельно LC-контуру подключите резистор 6.2 кОм, с тем чтобы получить Q = 10 (ширина полосы 10%. см. разд. 1.22). Для межкаскадной связи используйте на входе конденсатор.
Некоторые типы усилительных каскадов