Модель Эберса-Молла для основных транзисторных схем
2.14. Токовые зеркала
От схемы смещения с использованием согласованной пары транзисторов легко перейти к так называемому токовому зеркалу (рис. 2 44). Работа токового зеркала «программируется» путем задания коллекторного тока транзистора Т1 Напряжение Uбэ для Т1 устанавливается в соответствии с заданным током, температурой окружаюшей среды и типом транзистора. В результате оказывается заданным режим схемы, и транзистор Т2, согласованный с транзистором Т1 (лучше всего использовать монолитный сдвоенный транзистор), передает в нагрузку такой же ток, что задан для Т1. Небольшими базовыми токами можно пренебречь.

Рис. 2.44. Классическая схема токового зеркала на основе согласованной пары биполярных транзисторов. Отметим, что положительное питающее напряжение принято обозначать Uкк, даже в тех случаях, когда используются транзисторы p-n-p - типа.
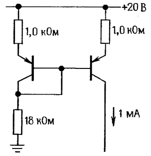
Одно из достоинств описанной схемы состоит в том, что ее диапазон устойчивости по напряжению равен Uкк за вычетом нескольких десятых долей вольта, так как нет падения напряжения на эмиттерном резисторе. Кроме того, во многих случаях удобно задавать ток с помощью тока. Легче всего получить управляющий ток Iпр с помощью резистора (рис. 2.45). В связи с тем, что эмиттерные переходы транзисторов представляют собой диоды, падение напряжения на которых мало по сравнению с Uкк, резистор 14,4 кОм формирует управляющий, а следовательно, и выходной ток величиной 1 мА. Токовые зеркала можно использовать в тех случаях, когда в транзисторной схеме необходим источник тока. Их широко используют при проектировании интегральных схем, когда: а) под рукой есть много согласованных транзисторов и б) разработчик хочет создать схему, которая бы работала в широком диапазоне питающих напряжений. Существуют даже безрезисторные интегральные операционные усилители, в которых режимный ток всего усилителя задается с помощью одного внешнего резистора, а токи отдельных внутренних усилительных каскадов формируются с помощью токовых зеркал.

Рис. 2.45.
Недостатки токовых зеркал, обусловленные эффектом Эрли. Простое токовое зеркало обладает одним недостатком: выходной ток несколько изменяется при изменении выходного напряжения, т.е. выходное сопротивление схемы не бесконечно. Это связано с тем, что при заданном токе транзистора Т2 напряжение Uбэ слегка меняется в зависимости от коллекторного напряжения (проявление эффекта Эрли); иначе говоря, график зависимости коллекторного тока от напряжения между коллектором и эмиттером при фиксированном напряжении между базой и эмиттером не является горизонтальной линией (рис. 2.46). Практически ток может изменяться приблизительно на 25% в диапазоне устойчивой работы схемы, т. е. характеристики такой схемы существенно хуже, чем характеристики рассмотренного выше источника тока с эмиттерным резистором.

Рис. 2.46.
Если же нужен более высококачественный источник тока (чаше всего таких требований не возникает), то подойдет схема. показанная на рис. 2.47. Эмиттерные резисторы выбраны таким образом, что падение напряжения на них составляет несколько десятых долей вольта; такая схема - гораздо лучший источник тока, так как в ней изменения напряжения Uбэ, обусловленные изменениями напряжения Uкэ, оказывают пренебрежимо малое влияние на выходной ток. В этой схеме также следует использовать согласованные транзисторы.

Рис. 2.47. Улучшенная схема токового зеркала.
Токовое зеркало Уилсона. На рис. 2.48 представлено еще одно токовое зеркало, обеспечивающее высокую степень постоянства выходного тока. Транзисторы Т1 и Т2 включены как в обычном токовом зеркале. Благодаря транзистору Т3 потенциал коллектора транзистора Т1 фиксирован и на удвоенную величину падения напряжения на диоде ниже, чем напряжение питания Uкк. Такое включение позволяет подавить эффект Эрли в транзисторе Т1, коллектор которого теперь служит для задания режима работы схемы; выходной ток определяется транзистором Т2. Транзистор Т3 не влияет на баланс токов, если его базовый ток пренебрежимо мал; его единственная функция состоит в том, чтобы зафиксировать потенциал коллектора Т1. В результате в токозадающих транзисторах Т1 и Т2 падения напряжения на эмиттерных переходах фиксированы; транзистор Т3 можно рассматривать как элемент, который просто передает выходной ток в нагрузку, напряжение на которой является переменным (аналогичный прием используют при каскодном включении, которое мы рассмотрим позже). Кстати, транзистор Т3 не обязательно согласовывать с транзисторами Т1 и Т2.

Рис. 2.48. Токовое зеркало Уилсона. Влияние изменений напряжения на нагрузке на выходной ток подавлено за счет каскодного включения транзистора Т3, которое позволяет уменьшить изменения напряжения транзистора Т1.
Схемы с несколькими выходами и коэффициенты отражения тока. Схему токового зеркала можно построить так, что вытекающий выходной ток (или втекающий - в случае использования транзисторов n-p-n - типа) будет передаваться в несколько нагрузок. О том, как эта идея воплощается в жизнь, дает представление схема, изображенная на рис. 2.49. Отметим, что если один из транзисторов - источников тока переходит в режим насыщения (в том случае, например, когда отключается его нагрузка), то его база будет отбирать повышенный ток из обшей линии, соединяющей базы всех транзисторов, и в связи с этим уменьшаются остальные выходные токи. Положение можно улучшить, если включить в схему еще один транзистор (рис. 2.50).

Рис. 2.49. Схема токового зеркала с несколькими выходами. Эта схема широко используется для получения нескольких программируемых источников тока.

Рис. 2.50.
На рис. 2.51 представлены два варианта многовыходного токового зеркала. Эти схемы отражают удвоенный (или половинный) управляющий ток. При разработке токовых зеркал в интегральных схемах коэффициент отражения тока задают путем выбора размеров (площадей) эмиттерных переходов.

Рис. 2.51. Токовые зеркала, в которых коэффициент отражения тока отличен oт 1 : 1.
Фирма Texas Instruments предлагает токовые зеркала Уилсона в виде законченных монолитных схем в удобных транзисторных корпусах типа ТО-92. Серия TL011 включает схемы, которые обеспечивают отношения 1:1, 1:2, 1:4 и 2:1, при этом диапазон устойчивости выходного напряжения определяется значениями от 1,2 до 40 В. Схема Уилсона обладает хорошими характеристиками источника тока - при постоянном программирующем токе выходной ток увеличивается только на 0,05% на вольт - помимо всего она очень недорога (50 центов и дешевле). К сожалению, эти полезные схемы существуют только на транзисторах n-p-n - типа.
Еще один способ получения выходного тока, кратного управляющему, состоит во включении дополнительного резистора в цепь эмиттера выходного транзистора (рис. 2.52). Если схема работает с токами различной плотности, то, согласно уравнению Эберса-Молла, разность напряжении Uбэ зависит только от отношения плотностей токов. Для согласованных транзисторов отношение коллекторных токов равно отношению плотностей токов. График на рис. 2.53 позволяет определить разность напряжений между базой и эмиттером в подобном случае и полезен при разработке токовых зеркал с неединичным отражением.

Рис. 2.52. Снижение выходного тока с помощью эмиттерного резистора. Отметим, что выходной ток здесь не кратен управляющему.

Рис. 2.53. Зависимость отношения коллекторных токов в согласованных парах транзисторов от разности напряжений база-эмиттер.
Упражнение 2.12. Покажите, что токовое зеркало с неединичным отражением, показанное на рис. 2.52. работает так, как мы описали.
Некоторые типы усилительных каскадов