Некоторые типы усилительных каскадов
2.16. Составной транзистор (схема Дарлингтона)
Если соединить транзисторы, как показано на рис. 2.60, то полученная схема будет работать как один транзистор, причем его коэффициент β будет равен произведению коэффициентов β составляющих транзисторов. Этот прием полезен для схем, работающих с большими токами (например, для стабилизаторов напряжения или выходных каскадов усилителей мощности) или для входных каскадов усилителей, если необходимо обеспечить большой входной импеданс.

Рис. 2.60. Составной транзистор Дарлингтона.
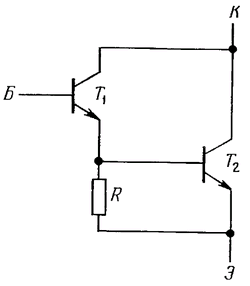
В транзисторе Дарлингтона падение напряжения между базой и эмиттером в два раза больше обычного, а напряжение насыщения равно по крайней мере падению напряжения на диоде (так как потенциал эмиттера транзистора Т1 должен превышать потенциал эмиттера транзистора Т2, на величину падения напряжения на диоде). Кроме того, соединенные таким образом транзисторы ведут себя как один транзистор с достаточно малым быстродействием, так как транзистор T1 не может быстро выключить транзистор Т2. С учетом этого свойства обычно между базой и эмиттером транзистора Т2 включают резистор (рис. 2.61). Резистор R предотвращает смешение транзистора Т2 в область проводимости за счет токов утечки транзисторов Т1 и Т2. Сопротивление резистора выбирают так, чтобы токи утечки (измеряемые в наноамперах для малосигнальных транзисторов и в сотнях микроампер для мощных транзисторов) создавали на нем падение напряжения, не превышающее падения напряжения на диоде, и вместе с тем чтобы через него протекал ток. малый по сравнению с базовым током транзистора Т2. Обычно сопротивление R составляет несколько сотен ом в мощном транзисторе Дарлингтона и несколько тысяч ом в малосигнальном транзисторе Дарлингтона.

Рис. 2.61. Повышение скорости выключения в составном транзисторе Дарлингтона.
Промышленность выпускает транзисторы Дарлингтона в виде законченных модулей, включающих, как правило, и эмиттерный резистор. Примером такой стандартной схемы служит мощный n-p-n - транзистор Дарлингтона типа 2N6282, его коэффициент усиления по току равен 4000 (типичное значение) для коллекторного тока, равного 10 А.
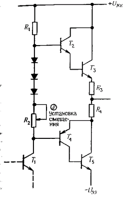
Соединение транзисторов по схеме Шиклаи (Sziklai). Соединение транзисторов по схеме Шиклаи представляет собой схему, подобную той. которую мы только что рассмотрели. Она также обеспечивает увеличение коэффициента β. Иногда такое соединение называют комплементарным транзистором Дарлингтона (рис. 2.62). Схема ведет себя как транзистор n-p-n - типа, обладающий большим коэффициентом β. В схеме действует одно напряжение между базой и эмиттером, а напряжение насыщения, как и в предыдущей схеме, равно по крайней мере падению напряжения на диоде. Между базой и эмиттером транзистора Т2 рекомендуется включать резистор с небольшим сопротивлением. Разработчики применяют эту схему в мощных двухтактных выходных каскадах, когда хотят использовать выходные транзисторы только одной полярности. Пример такой схемы показан на рис. 2.63. Как и прежде, резистор представляет собой коллекторный резистор транзистора T1 Транзистор Дарлингтона, образованный транзисторами Т2 и Т3. ведет себя как один транзистор n-p-n - типа. с большим коэффициентом усиления по току. Транзисторы Т4 и Т5, соединенные по схеме Шиклаи, ведут себя как мощный транзистор p-n-p - типа. с большим коэффициентом усиления. Как и прежде, резисторы R3 и R4 имеют небольшое сопротивление. Эту схему иногда называют двухтактным повторителем с квазидополнительной симметрией. В настоящем каскаде с дополнительной симметрией (комплементарном) транзисторы Т4 и Т5, были бы соединены по схеме Дарлингтона.

Рис. 2.62. Соединение транзисторов по схеме Шиклаи («дополняющий транзистор Дарлингтона»).

Рис. 2.63. Мощный двухтактный каскад, в котором использованы выходные транзисторы только n-p-n - типа.
Транзистор со сверхбольшим значением коэффициента усиления по току. Составные транзисторы - транзистор Дарлингтона и ему подобные - не следует путать с транзисторами со сверхбольшим значением коэффициента усиления по току, в которых очень большое значение коэффициента h21э получают в ходе технологического процесса изготовления элемента. Примером такого элемента служит транзистор типа 2N5962. для которого гарантируется минимальный коэффициент усиления по току, равный 450, при изменении коллекторного тока в диапазоне от 10 мкА до 10 мА; этот транзистор принадлежит к серии элементов 2N5961-2N5963, которая характеризуется диапазоном максимальных напряжений Uкэ от 30 до 60 В (если коллекторное напряжение должно быть больше, то следует пойти на уменьшение значения C). Промышленность выпускает согласованные пары транзисторов со сверхбольшим значением коэффициента β. Их используют в усилителях с низким уровнем сигнала, для которых транзисторы должны иметь согласованные характеристики; этому вопросу посвящен разд. 2.18. Примерами подобных стандартных схем служат схемы типа LM394 и МАТ-01; они представляют собой транзисторные пары с большим коэффициентом усиления, в которых напряжение Uбэ согласовано до долей милливольта (в самых хороших схемах обеспечивается согласование до 50 мкВ), а коэффициент h21э - до 1%. Схема типа МАТ-03 представляет собой согласованную пару p-n-p - транзисторов.
Транзисторы со сверхбольшим значением коэффициента β можно объединять по схеме Дарлингтона. При этом базовый ток смещения можно сделать равным всего лишь 50 пкА (примерами таких схем служат операционные усилители типа LM111 и LM316.
Некоторые типичные транзисторные схемы