Некоторые типы усилительных каскадов
2.17. Следящая связь
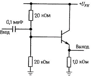
При задании напряжения смещения, например в эмиттерном повторителе, резисторы делителя в цепи базы выбирают так, чтобы делитель по отношению к базе выступал в качестве жесткого источника напряжения, т. е. чтобы сопротивление параллельно включенных резисторов было значительно меньше, чем входное сопротивление схемы со стороны базы. В связи с этим входное сопротивление всей схемы определяется делителем напряжения для сигнала, поступающего на ее вход, входное сопротивление оказывается гораздо меньше, чем это действительно необходимо. На рис. 2.64 показан соответствующий пример. Полное входное сопротивление схемы равно приблизительно 9 кОм, а сопротивление делителя напряжения для входного сигнала равно 10 кОм. Желательно, чтобы входное сопротивление всегда было большим, и уж во всяком случае неразумно нагружать источник входного сигнала схемы делителем, который в конечном счете нужен только для того, чтобы обеспечить смешение транзистора. Выйти из затруднения позволяет метод следящей связи (рис. 2.65). Смешение транзистора обеспечивают резисторы R1, R2, R3. Конденсатор С2 выбирают таким, чтобы его полное сопротивление на частотах сигнала было мало по сравнению с сопротивлением резисторов смешения. Как всегда смещение будет стабильным, если сопротивление его источника по постоянному току, приведенное в базе (в данном случае 9.7 кОм), значительно меньше сопротивления по постоянному току со стороны базы (в данном случае ≈ 100 кОм). Но здесь входное сопротивление для частот сигнала не равно сопротивлению по постоянному току. Рассмотрим путь прохождения сигнала: входной сигнал Uвх порождает сигнал на эмиттере uэ « uвх, поэтому приращение тока, протекающего через резистор смещения R. составит i = (uвх - uэ)/R3 ≈ 0, т. е. Zвх = (uвх/iвх) ≈ ∞. Мы получили, что входное (шунтирующее) сопротивление схемы смещения очень велико для частот сигнала.

Рис. 2.64.

Рис. 2.65. Повышение входного импеданса эмиттерного повторителя на частотах сигнала за счет включения в цепь следящей связи делителя, обеспечиваюшего смещение базы.
Другой подход к анализу схемы основан на том, что падение напряжения на резисторе R3 для всех частот сигнала одинаково (так как напряжение между его выводами изменяется одинаково), т. е. он представляет собой источник тока. Но сопротивление источника тока бесконечно. На самом деле фактическое значение сопротивления не бесконечно, так как коэффициент усиления повторителя немного меньше 1. Последнее вызывается тем. что падение напряжения между базой и эмиттером зависит от коллекторного тока, который изменяется при изменении уровня сигнала. Тот же результат можно получить, если рассмотреть делитель, образованный выходным сопротивлением со стороны эмиттера [rэ - 25/Iк(мА)Ом] и эмиттерным резистором. Если коэффициент усиления повторителя по напряжению обозначить А (А ≈ 1), то действующее значение сопротивления R3 на частотах сигнала равно R3/(1 - А). На практике действующее значение сопротивления R3 больше его номинала приблизительно в 100 раз, и во входном сопротивлении преобладает входное сопротивление транзистора со стороны базы. В инвертирующем усилителе с общим эмиттером может быть выполнена аналогичная следящая связь, так как сигнал на эмиттере повторяет сигнал на базе. Обратите внимание, что схема делителя напряжения смещения запитывается по переменному току (на частотах сигнала) с низкоомного эмиттерного выхода, поэтому входному сигналу не приходится этим заниматься.
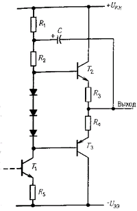
Следящая связь в коллекторной нагрузке. Принцип следящей связи можно использовать для увеличения действующего (эффективного) сопротивления коллекторного нагрузочного резистора, если каскад нагружен на повторитель. При этом существенно увеличится коэффициент усиления каскада по напряжению [напомним, что КU = - gmRк, а gm = 1/(Rэ + rэ)]. На рис. 2.66 показан пример двухтактного выходного каскада со следящей связью, построенной подобно рассмотренной выше схеме двухтактного повторителя. Так как выход повторяет сигнал на базе транзистора Т2, конденсатор С создает следящую связь в коллекторную нагрузку транзистора Т1 и поддерживает постоянное падение напряжения на резисторе R2 при наличии сигнала (импеданс конденсатора С должен быть малым по сравнению с R1 и R2 во всей полосе частот сигнала). Благодаря этому резистор R2 становится подобен источнику тока, увеличивается коэффициент усиления транзистора Т1 по напряжению и поддерживается достаточное напряжение на базе транзистора Т2 даже при пиковых значениях сигнала. Когда сигнал становится близким к напряжению питания Uкк, потенциал в точке соединения резисторов R1 и R2 становится больше, чем Uкк, благодаря заряду, накопленному конденсатором С При этом если R1 = R2 (неплохой вариант выбора резисторов), то потенциал в точке их соединения превысит Uкк в 1,5 раза в тот момент, когда выходной сигнал станет равен Uкк. Эта схема завоевала большую популярность при разработке бытовых усилителей низкой частоты, хотя простой источник тока обладает преимуществами перед схемой со следящей связью, так как отпадает необходимость в использовании нежелательного элемента - электролитического конденсатора - и обеспечиваются лучшие характеристики на низких частотах.

Рис. 2.66. Следящая связь в коллекторной нагрузке усилителя мощности, представляющего собой нагружающий каскад.
Некоторые типичные транзисторные схемы