Некоторые типичные транзисторные схемы
Некоторые типичные транзисторные схемы
Рассмотрим несколько примеров транзисторных схем. которые иллюстрируют основные идеи, изложенные в настоящей главе. Круг этих примеров ограничен, так как в реальных схемах часто используют отрицательную обратную связь, которую мы будем изучать в следующей главе.
2.21. Стабилизированный источник напряжения
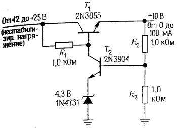
На рис. 2.75 показана очень распространенная схема. Ток резистора R1 открывает транзистор Т1. Когда напряжение на выходе достигает значения 10 В, транзистор Т2 переходит в открытое состояние (потенциал базы достигает 5 В) и дальнейшее увеличение выходного напряжения предотвращается за счет отвода избытка тока с базы транзистора Т1. Источник питания можно сделать регулируемым, если резисторы R2 и R3 заменить потенциометром. По сути дела, это пример схемы с отрицательной обратной связью: Т2 «следит» за состоянием выхода и «предпринимает соответствующие меры», если величина выходного напряжения отличается от нужной.

Рис. 2.75. Стабилизированный источник напряжения с обратной связью.