НЕКОТОРЫЕ ОСНОВНЫЕ ТРАНЗИСТОРНЫЕ СХЕМЫ
2.07. Усилитель с общим эмиттером
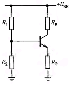
Рассмотрим источник тока, нагрузкой для которого служит резистор (рис. 2.26). Напряжение на коллекторе равно
Uк=Uкк - IкRк.

Рис. 2.26.
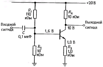
Можно через емкость задать сигнал в цепь базы, тогда напряжение на коллекторе будет изменяться. Рассмотрим пример, представленный на рис. 2.27. Конденсатор С выбран так, что фильтр высоких частот, образованный этим конденсатором и последовательно соединенными с ним резисторами смещения базы, пропускает все нужные частоты (резисторы в цепи базы обычно выбирают так, чтобы импеданс со стороны базы, т.е. входное сопротивление транзистора, был гораздо больше и им можно было пренебречь).

Рис. 2.27. Каскад усиления переменного тока с общим эмиттером с отрицательной обратной связью в цепи эмиттера. Обратите внимание, что выходной сигнал снимается с коллектора, а не с эмиттера.
Иначе говоря,
C ≥ l/2πƒ(R1 || R2). Uк=Uкк - IкRк.
Благодаря напряжению смещения, приложенному к базе, и наличию эмиттерного резистора сопротивлением 1,0 кОм ток покоя коллектора составляет 1,0 мА. Этот ток создает на коллекторе напряжение +10 В ( + 20 В минус падение напряжения на сопротивлении 10 кОм при протекании тока 1,0 мА). Допустим теперь, что на базу подан сигнал uб. Напряжение на эмиттере повторяет изменение напряжения на базе uэ - uб и вызывает изменение эмиттерного тока:
iэ = uэ/Rэ = uб/Rэ
и приблизительно такое же изменение коллекторного тока (транзистор имеет большой коэффициент h21э). Итак, первоначальное изменение напряжения на базе вызывает изменение коллекторного напряжения:
uк = - iкRк = - uб(Rк/Rэ)
Стоп! Получается, что схема представляет собой усилитель напряжения, коэффициент усиления которого определяется следующим образом:
Коэффициент усиления = uвых/uвх = - Rк/Rэ.
В нашем примере коэффициент усиления равен -10000/1000, или -10. Знак минус говорит о том, что положительный сигнал на входе дает на выходе отрицательный сигнал (амплитуда которого в 10 раз больше, чем на входе). Такая схема называется усилителем с общим эмиттером с отрицательной обратной связью в цепи эмиттера.
Входное и выходное сопротивление для усилителя с общим эмиттером. Нетрудно определить входное и выходное сопротивление усилителя. Для входного сигнала схема представляет собой параллельное соединение резисторов 110кОм, 10кОм и входного сопротивления со стороны базы. Последнее приблизительно равно 100 кОм (сопротивление Rэ, увеличенное в h21э раз), а значит, входное сопротивление равно приблизительно 8 кОм (преобладающую роль играет сопротивление 10 кОм). Если используется развязывающий конденсатор, указанный на схеме, то получаем фильтр высоких частот с точкой - 3 дБ на частоте 200 Гц. Для сигналов в рабочей полосе частот (выше частоты, соответствующей точке - 3 дБ) конденсатором емкостью 0,1 мкФ можно пренебречь и учитывать только сопротивление 8 кОм, соединенное с ним последовательно.
Выходное сопротивление определяется как параллельное соединение сопротивления 10 кОм и выходного сопротивления транзистора со стороны коллектора. Что же получается? Если бы не коллекторный резистор, то схема не отличалась бы от источника тока. Коллектор обладает очень большим сопротивлением (порядка мегаом), поэтому выходное сопротивление определяется коллекторным резистором, сопротивление которого составляет 10 кОм. Напомним, что сопротивление со стороны коллектора велико, а со стороны эмиттера мало (как и в схеме эмиттерного повторителя). В выходном сопротивлении усилителя с общим эмиттером преобладает сопротивление резистора нагрузки, стоящего в цепи коллектора, а выходное сопротивление эмиттерного повторителя определяется выходным сопротивлением транзистора со стороны эмиттера, а не сопротивлением нагрузки, стоящей в цепи эмиттера.
Модель Эберса-Молла для основных транзисторных схем