3.01. Характеристики полевых транзисторов
Иной новичок буквально «впадает в столбняк», впрямую сталкиваясь с обескураживающим разнообразием типов ПТ (см., например, первое издание этой книги!), разнообразием, возникающим как следствие возможных комбинаций полярности (n- и p- канальные), вида изоляции затвора (ПТ с полупроводниковым переходом или МОП - транзисторы с изолятором в виде окисла), а также типа легирования канала (ПТ обогащенного или обедненного типа). Из восьми имеющихся в результате этих комбинаций возможностей шесть могли бы быть реализованы, а пять - реализованы на практике. Основной интерес представляют четыре случая из этих пяти.
Чтобы понять, как работает ПТ (и исходя из здравого смысла), будет правильно, если мы начнем только с одного типа, точно так. как мы сделали с биполярным n-p-n - транзистором. Хорошо разобравшись с ПТ выбранного типа, мы в дальнейшем будем иметь минимум трудностей в изучении остальных членов этого семейства.
Входные характеристики ПТ. Рассмотрим вначале n - канальный МОП - транзистор обогащенного типа, биполярным аналогом которого является n-p-n - транзистор (рис. 3.1). В нормальном режиме сток (или соответствующий ему коллектор) имеет положительный потенциал относительно истока (эмиттера). Ток от стока к истоку отсутствует, пока на затвор (базу) не будет подано положительное по отношению к истоку напряжение. В последнем случае затвор становится «прямосмещенным», и возникает ток стока, который весь проходит к истоку. На рис. 3.2 показано, как изменяется ток стока Ic в зависимости от напряжения сток-исток Uси, при нескольких значениях управляющего напряжения затвор - исток Uзи. Для сравнения здесь же приведено соответствующее семейство кривых зависимости Iк от Uкэ для обычного биполярного n-p-n - транзистора. Очевидно, что n - канальные МОП - транзисторы и биполярные n-p-n - транзисторы во многом схожи.

Рис. 3.1. а - n - канальный МОП - транзистор: б - биполярный n-p-n - транзистор.

Рис. 3.2. Измеренные семейства выходных характеристик n - канального МОП - транзистора VN0106 (а) и биполярного n-p-n - транзистора 2N3904 (б).
Подобно n-p-n - транзистору, ПТ имеет большое приращение полного сопротивления стока, в результате чего при напряжении Uси свыше 1 - 2 В ток стока почти не меняется. Для этой области характеристик ПТ неудачно выбрано название «область насыщения», тогда как у биполярных транзисторов соответствующая область называется «активной». Подобно биполярному транзистору, чем больше смещение затвора ПТ относительно истока, тем больше ток стока. В любом случае поведение ПТ ближе к идеальным устройствам - преобразователям проводимости (постоянный ток стока при неизменном напряжении затвор-исток), чем биполярных транзисторов; согласно уравнению Эберса-Молла у биполярных транзисторов должны быть превосходные характеристики выходной проводимости, однако эти идеальные характеристики не достигаются из-за эффекта Эрли (см. разд. 2.10).
До сих пор ПТ выглядел подобно n-p-n - транзистору. Посмотрим, однако, на ПТ поближе. С одной стороны, свыше нормального диапазона ток насыщения стока растет довольно умеренно при увеличении напряжения затвора (Uзи). Фактически он пропорционален (Uзи - Uп)2 где Uп - «пороговое напряжение затвора», при котором начинает идти ток стока (для ПТ на рис. 3.2 Uп ≈ 1,63 В); сравните этот слабый квадратичный закон с крутой экспоненциальной зависимостью, данной нам Эберсом и Моллом. Во-вторых, постоянный ток затвора равен нулю, так что мы не должны смотреть на ПТ как на устройство, усиливающее ток (коэффициент усиления тока был бы равен бесконечности). Вместо этого будем рассматривать ПТ как характеризуемое крутизной устройство - преобразователь проводимости с программированием тока стока напряжением затвор-исток, - так, как это мы делали с биполярным транзистором в толковании Эберса-Молла. Напомним, что крутизна gm есть просто отношение iс/uси (как и обычно, строчные буквы используются, чтобы показать «малосигнальные» изменения параметра: т.е. iс/uси = δIc/δUси). В-третьих, у МОП - транзистора затвор действительно изолирован от канала сток-исток: поэтому, в отличие от биполярных транзисторов (и от ПТ с p-n - переходом. как мы далее увидим), можно подавать на него положительное (или отрицательное) напряжение до 10 В и более, не заботясь о диодной проводимости. И наконец, ПТ отличается от биполярного транзистора в так называемой линейной области графика, где его поведение довольно точно соответствует поведению резистора, даже при отрицательном Ucи; это оказывается очень полезным свойством, поскольку, как вы уже могли догадаться, эквивалентное сопротивление сток - исток программируется напряжением затвор - исток.
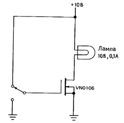
Два примера. В ПТ еще найдется, чем нас удивить. Однако прежде чем углубляться в детали, посмотрим на две простые переключающие схемы. На рис. 3.3 показан МОП-транзисторный эквивалент рис. 2.3, первого из рассмотренного нами насыщенного транзисторного переключателя. Схема на ПТ даже проще, поскольку здесь мы совершенно не должны заботиться о неизбежно возникшем ранее компромиссе между необходимостью задать соответствующий необходимый для переключения ток базы (рассматривая наихудший случай-минимальное значение h21э в сочетании с сопротивлением холодной нити лампы) и исключить избыточное расходование энергии. Вместо этого мы всего лишь подаем на затвор, имеюший высокое полное входное напряжение, полное напряжение питания постоянного тока. Поскольку включенный ПТ ведет себя как резистор с малым по сравнению с нагрузкой сопротивлением, потенциал стока станет при этом близок к потенциалу земли; типичный мощный МОП - транзистор имеет Rвкл < 0,2 Ом, что превосходно для данной задачи.

Рис. 3.3. Ключ на МОП - транзисторе.

Рис. 3.4.
На рис. 3.4 показана схема «аналогового переключателя», которую вообще невозможно выполнить на биполярных транзисторах. Идея этой схемы состоит в том, чтобы переключать проводимость ПТ из разомкнутого (затвор смешен в «обратном» направлении) в замкнутое состояние («прямое» смешение затвора), тем самым блокируя или пропуская аналоговый сигнал (позже мы увидим множество причин выполнять такого рода вещи). В данном случае мы должны лишь обеспечить, чтобы на затвор подавалось более отрицательное переключающее напряжение, чем любой размах входного переключаемого сигнала (ключ разомкнут) или на несколько вольт более положительное, чем любой входной сигнал (ключ замкнут). Биполярные транзисторы для такой схемы непригодны, поскольку база проводит ток и образует с коллектором и эмиттером диоды, что приводит к опасному эффекту «защелкивания». В сравнении с этим МОП - транзистор восхитительно прост, нуждаясь лишь в подаче на затвор (являющийся практически разомкнутой цепью) напряжения, равного размаху входного аналогового сигнала. Будьте, однако, внимательны: наше рассмотрение этой схемы было до некоторой степени упрощением - например, мы игнорировали влияние емкости затвор - канал, а также вариации Rвкл при изменении сигнала. Позже мы еше поговорим об аналоговых ключах.