3.12. Недостатки ПТ - ключей
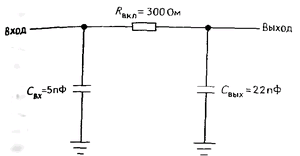
Быстродействие. ПТ - ключи имеют сопротивление во включенном состоянии Rвкл от 25 до 250 Ом. В комбинации с емкостью подложки и паразитными емкостями это сопротивление образует фильтр нижних частот, ограничивающий рабочие частоты значениями порядка 10 МГи я даже ниже (рис. 3.39). Полевые транзисторы с меньшим Rвкл имеют обычно большую емкость (у некоторых мультиплексоров до 50 пФ), так что выигрыша в скорости нарастания сигнала они не дают. Значительная доля ограничения частотной характеристики вызвана элементами зашиты - последовательными токоограничивающими резисторами и шунтирующими диодами. Существует несколько аналоговых «телерадиочастотных» ключей, обеспечивающих пропускание сигналов более высокой частоты, возможно за счет отказа от некоторых видов защиты. Например, ключи IH5341 и IH5352 оперируют аналоговыми сигналами в обычном диапазоне ±15 В и имеют полосу пропускания 100 МГц; серии «высокоскоростных» мультиплексоров 74НС4051-53 также обеспечивают полосу пропускания аналоговых сигналов на уровне 3 дБ, равную 100 МГц, но обрабатывают при этом сигналы только до ±5 В. МАХ453-5 фирмы Maxim сочетают в себе видеомультиплексор с выходным видеоусилителем, так что их можно непосредственно подключать к низкоомным (обычно 75 Ом) кабельным или иным нагрузкам: они имеют типичную полосу пропускания 50 МГц и предназначены для сигналов видеочастоты -1 В от низкоомных источников.

Рис 3.39. Параметры аналогового мультиплексора HI-508 (значения даны для замкнутого канала). ƒ3дб = 1/(2πRвклСвых) = 24МГц.
Сопротивление в открытом (включенном) состоянии. Ключи КМОП, работающие от относительно высокого напряжения питания (скажем, 15 В), будут иметь малые значения Rвкл во всем диапазоне значений сигнала, так как всегда тот или другой проводящий транзистор будет иметь прямое смещение затвора, равное По крайней мере половине напряжения питания. Но при меньшем напряжении питания сопротивление ключа Rвкл будет расти, и максимум его имеет место при уровне сигнала, среднем между напряжением питания и землей (или между двумя напряжениями питания при двуполярном питании) (рис. 3.40). При уменьшении Ucc сопротивление ПТ во включенном состоянии становится значительно выше (особенно вблизи точки Uзи - Ucc/2), так как для ПТ обогащенного типа Uп составляет по крайней мере несколько вольт и для достижения малых значений Rвкл требуется напряжение затвор-исток не меньше чем 5 - 10 В. Кроме того, что параллельное сопротивление двух ПТ растет при уровне сигнала, среднем между напряжением питания и землей, этот пик (при 0,5 Ucc) будет увеличиваться по мере уменьшения Ucc, и при достаточно низком Ucc ключ для сигналов с уровнем около 0,5 Ucc будет представлять разомкнутую цепь.

Рис 3.40.
Имеются различные приемы, которые разработчики ИМС аналоговых ключей применяют, чтобы сохранить значение Rвкл малым и примерно постоянным (для малых искажений) во всем диапазоне измерения сигналов. Например, в первоначально выпускавшемся аналоговом ключе 4016 использовалась простая схема рис. 3.36, дающая графики Rвкл подобные тем, что показаны на рис. 3.41. В улучшенном ключе 4066 разработчики добавили несколько ПТ таким образом, что напряжение n-канальной подложки следует за напряжением сигнала, давая в результате кривые Rвкл, показанные на рис. 3.42. «Вулканообразная» форма этих кривых с понижением Rвкл в центре заменила «Эверест» на графиках для 4016. Усложненные ключи, такие как IH5140 (или AD7510), предназначенные для серьезных применении, дают еще лучший результат, представленный в виде кривых о На рис. 3.43. Недавно выпущенные фирмой Siliconix ключи DG400 дают превосходные Rвкл в 20 Ом ценой увеличения «передачи заряда» (см. ниже подраздел «динамические помехи»): это семейство ключей, как и серия IH5140, имеет еще одно достоинство - нулевой ток покоя.

Рис. 3.41. Сопротивление включнного (замкнутого) канала аналогового КМОП - ключа типа 4016.

Рис. 3.42. Сопротивление замкнутого улучшенного аналогового КМОП - ключа типа 4066; обратите внимание на изменение масштаба по сравнению с рис. 3.41.

Рис. 3.43. Сопротивление замкнутого аналогового ключа из семейства IH5140, позволяющего переключать сигнал обеих полярностей; обратите внимание на масштаб вертикальной оси.
Емкость. ПТ - ключи обладают следующими емкостями: между входом и выходом (Сси), между каналом и землей (Сс, Си), между затвором и каналом и между двумя ПТ в пределах одного кристалла (Ссс, Сии); см. рис. 3.44. Рассмотрим, какие эффекты они вызывают.

Рис. 3.44. Емкости аналоговых ключей (на примере 4- канального переключателя AD7510). Rвкл = 75 Ом.
Сси (емкость вход - выход). Наличие этой емкости приводит к прохождению сигнала через разомкнутый ключ, которое на высоких частотах возрастает. На рис. 3.45 показан этот эффект для ключей серии IH5140. Обратите внимание на использование 50 - омной нагрузки - сопротивления, обычного для радиосхем, но много меньше нормального для низкочастотных сигналов, где типичное значение полного сопротивления нагрузки составляет 10 кОм и более. Даже при нагрузке 50 Ом сквозное прохождение сигнала на высоких частотах становится значительным (на частоте 30 МГц емкость 1 пФ имеет полное сопротивление 5 кОм, что вызывает сквозное прохождение - 40 дБ). И разумеется, имеется значительное ослабление (и нелинейность в передаче) сигнала при работе на 50 - омную нагрузку, поскольку типичное значение Rвкл составляет 30Ом (75Ом в худшем случае). При нагрузке 10 кОм ситуация со сквозной передачей сигнала, конечно же, намного хуже.

Рис. 3.45. Изолирующие характеристики ключа из семейства IH5140 (ключ разомкнут).
Упражнение 3.8. Рассчитайте сквозное прохождение сигнала в нагрузку 10 кОм на частоте 1 МГц, приняв Сси = 1 пФ.
В большинстве низкочастотных применений емкостное сквозное прохождение не создает проблем. Если они возникают, наилучшим решением является использование пары каскадно - включенных ключей (рис. 3.46) или, что еще лучше, комбинации из последовательного и шунтирующего ключей, включаемых попеременно (рис. 3.47). Последовательный каскад удваивает ослабление (в депибелах) ценой дополнительного Rвкл, в то время как последовательно - параллельная схема (фактически это однополосный ключ на два направления - 1П2Н) уменьшает прямое прохождение, снижая эффективное сопротивление нагрузки до Rвкл, когда последовательный ключ разомкнут.

Рис. 3.46.

Рис. 3.47.
Упражнение 3.9. Пересчитайте сквозное прохождение в нагрузку 10 кОм на частоте 1 МГц, приняв Сси = 1 пФ и Rвкл = 50 Ом для схемы рис. 3.47.
Однополярные двусторонние КМОП - ключи с управлением, гарантирующим размыкание перед замыканием, выпускаются отдельными блоками. На практике можно встретить и пару ключей 1Н2П в одном корпусе. Примерами являются ИМС DG188 и Ш5142, а также DG191, IH5143 и AD7512 (сдвоенные приборы 1Н2П в одном корпусе). Благодаря доступности таких КМОП - ключей легко с помощью подобных однополюсных на два направления конфигураций получать превосходные параметры. Радиовидеочастотные ключи, о которых говорилось выше, имели встроенную последовательно - параллельную схему.
Сс, Си (емкость относительно земли). Шунтирующая на землю емкость приводит к упомянутому ранее спаду частотной характеристики. Ситуация усугубляется при высокоомном источнике сигналов, однако даже при фиксированном сопротивлении источника сопротивление ключа Rвкл в сочетании с шунтирующей емкостью на выходе образует фильтр нижних частот. Следующее упражнение показывает, как это происходит.
Упражнение 3.10. AD7510 (все паспортные значения его емкостей можно определить из рис. 3.44) подключен к входному источнику сигналов, имеющему сопротивление 10 кОм, а сопротивление нагрузки на выходе ключа составляет 100 кОм. Чему равна верхняя частота среза на уровне - 3 дБ? Повторите вычисления, приняв жестко фиксированное сопротивление источника сигнала и сопротивление ключа Rвкл = 75 Ом?
Емкость затвор-канал. Емкость между управляющим затвором и каналом вызывает еще один эффект, а именно наводку неприятных (даже когда они малы) переходных помех на цепь сигнала при замыкании или размыкании ключа. Сей предмет заслуживает серьезного обсуждения, так что мы отложим его до следующего раздела.
Ссс, Сии (емкость между ключами). Если разместить несколько ключей на одном кристалле кремния размером с кукурузное зерно, то не следует удивляться, заметив наводки между каналами («перекрестные помехи»). Виновницей, разумеется, является емкость между каналами ключей. Эффект усиливается по мере роста частоты и увеличения полного сопротивления источника сигнала, к которому подключен канал. Предоставим вам возможность самим удостовериться в сказанном.
Упражнение 3.11. Рассчитайте величину наводка в децибелах, между нарой каналов с Ссс = Сии = 0.5 пФ (рис. 3.44) для полных сопротивлений источника и нагрузки, приведенных в последнем упражнении. Примите частоту сигнала помехи равной 1 МГц. Рассчитайте величину наводки для каждого следующего случая: а) оба ключа разомкнуты, б) от разомкнутого ключа к замкнутому, в) от замкнутого ключа к разомкнутому и г) оба ключа замкнуты.
Из этого примера должно быть ясно, почему для большинства широкополосных радиочастотных схем применяются низкоомные источники сигналов, обычно сопротивлением 50 Ом. Если перекрестные помехи создают серьезные трудности, не подавайте на один кристалл более одного сигнала.
Динамические помехи. Во время переходных процессов от включенного состояния к выключенному и обратно в аналотовых ПТ - ключах могут возникать неприятные эффекты. Скачок управляющего сигнала, поданный на затвор(ы), может создавать емкостную наводку в канале (каналах) и исказить коммутируемый сигнал до неузнаваемости. Это наиболее серьезно при уровнях сигнала, соответствующих высокому сопротивлению ключа. Подобные эффекты возникают и в мультиплексорах (типа 4066) во время изменения адреса канала; кроме того, в мультиплексоре возможно кратковременное соединение входов через открытые ключи, если задержка выключения канала превосходит задержку включения.
Рассмотрим этот вопрос более подробно. На рис 3.48 изображена форма выходного сигнала, которую можно увидеть на выходе n-канальной схемы аналогового МОП - ключа, схема которого показана на рис. 3.35, при нулевом уровне входного сигнала и нагрузке, состоящей из сопротивления 10 кОм и параллельной ему емкости 20пФ, - вполне реальные значения для схемы аналогового ключа. Эти красивые переходные процессы вызваны переносом заряда в канал через емкость затвор-канал при изменений напряжения затвора. Последнее делает резкий скачок от одного уровня питания к другому, в нашем случае от +15 к -15 В (или в обратном направлении), перенося заряд Q = ±C3к(U3выс - U3виз), где C3к - емкость затвор-канал, обычно около 5 пФ. Заметим, что величина переносимого заряда зависит только от полного изменения напряжения затвора и не зависит от времени, за которое это изменение происходит. Замедление изменения сигнала на затворе вызывает меньшую по амплитуде, но более долгую динамическую помеху с той же площадью под графиком. Фильтрация выходного сигнала ключа фильтром нижних частот дает тот же эффект. Такие меры могут помочь в тех случаях, когда важно добиться малого пика амплитуды динамической помехи, однако в смысле исключения пропускания управляющего напряжения с затвора на выход они неэффективны. В некоторых случаях можно предсказать емкость затвор - канал с достаточной точностью, для того чтобы погасить выбросы путем добавки инвертированного сигнала затвора через небольшой переменный конденсатор.

Рис. 3.48.
Емкость затвор - канал распределена по всей длине канала, а это значит, что часть заряда (помехи) попадает обратно на вход ключа. В результате величина динамической помехи выходного сигнала зависит от полного сопротивления источника сигнала и будет наименьшей в том случае, когда ключ будет управляться источником напряжения. Конечно, уменьшение полного сопротивления нагрузки уменьшает величину динамической помехи, но при этом нагружается источник и вносятся дополнительные статическая погрешность и нелинейность за счет конечного значения параметра Rвкл. И наконец, при прочих равных, ключ с меньшей величиной емкости затвор-канал будет вносить меньшие переходные помехи в процессе переключения, хотя за это мы платим увеличением Rвкл.
На рис. 3.49 приведены для сравнения кривые переноса заряда для трех типов аналоговых ключей, в том числе и ключа на ПТ с p-n - переходом. Во всех трех случаях сигнал на затворе меняется в полном диапазоне, т. е. на 30 В или в пределах обозначенных на графике уровней напряжения питания для МОП - транзисторов и от - 15 В до уровня сигнала для ключей на n- канальных ПТ с p-n - переходом. Для последних существует сильная зависимость величины динамической помехи от сигнала, поскольку диапазон изменения напряжения затвора пропорционален разности между уровнем сигнала и уровнем -15 В. Хорошо сбалансированные КМОП - ключи имеют относительно малую динамическую помеху, поскольку попадающие в канал заряды у комплементарных МОП - транзисторов стремятся скомпенсировать друг друга (когда на одном затворе напряжение растет, на другом - падает). Чтобы дать представление о масштабе этих эффектов, скажем, что заряд 30 пКл соответствует разности потенциалов (ска 1ку) в 3 мВ на конденсаторе емкостью 0.01 мкФ. Это значительная емкость для конденсатора фильтра, и видно, что это действительно проблема, так как динамическая помеха в 3 мВ является существенной погрешностью при работе с аналоговыми сигналами низкого уровня.

Рис. 3.49. Зависимость заряда помехи у различных линейных ПТ - ключей от напряжения управляющего сигнала. 1 - ПТ с p-n - переходом; 2 - КМОП - ключ из семейства DG400; 3 - КМОП - ключ из семейства DG200.
Защелкивание и входной ток. Все интегральные КМОП - схемы имеют ту или иную схему защиты входа, так как в противном случае изоляция затвора легко разрушается (см. разд. 3.15). Обычная схема такой защиты показана на рис. 3.50. Хотя в ней можно использовать распределенную диодную матрицу, однако данная цепь эквивалентна фиксирующим диодам, подключенным к Ucc и Uии, в сочетании с резистивной токоограничивающей цепью. Если напряжение на входе (или на выходе) превысит напряжение питания более чем на падение напряжения на диодном переходе, соответствующий диод перейдет в состояние проводимости, и для входа (или выхода) образуется иепь с низким полным сопротивлением относительно соответствующего источника питания. Но что еще хуже, чип при возбуждении входа может войти в так называемое «КУВ - зашелкивание» - ужасное (и разрушительное) состояние, которое мы более подробно опишем в разд. 4.16. Все что необходимо нам знать о нем сейчас - это то, что данное состояние нежелательно! КУВ - защелкивание происходит спусковым (триггерным) переключением за счет входного тока (через цепь защиты) величиной где-то около 20 мА или более. Таким образом, необходимо быть осторожными и не подавать на аналоговые входы напряжение, превышающее напряжение питания. Это, в частности, означает, что мы всегда должны обеспечить подачу напряжения питания прежде, чем поступит какой бы то ни было сигнал, способный вызвать ток значительной величины. Между прочим, этот запрет столь же справедлив и для цифровых КМОП ИС как и для только что рассмотренных наш аналоговых ключей.

Рис. 3.50. Цепи защиты входа (выхода) КМОП - схем. Последовательно включенный резистор на выходе часто не ставится.
Неприятности, связанные с диодно-резисторными цепями защиты, состоят в том, что они ухудшают параметры ключа, увеличивая Rвкл, шунтирующую емкость и утечку. При искусном проектировании чипа (с использованием «изоляшв диэлектриком») можно исключив КУВ - защелкивание. не ухудшая серьезнс параметров схемы, что обычно происходит за счет схемы защиты. Многие более «свежие» разработки аналоговых ключей имеют «защиту от дурака»; например, аналоговые мультиплексоры IH5108 и IH5116 фирмы Intersil имеют схемы фиксации, которые позволяют подавать на аналоговые входы до ±25 В даже при нулевом напряжении питания (за эту устойчивость мы платим Rвкл, вчетверо превышающим этот параметр для обычног входного IH6108/16). Будьте, однако, осторожны, поскольку существует множестве ИМС аналоговых ключей, которые этого не прощают!
Существуют аналоговые ключй, построенные не на комплементарных МОП - транзисторах, а на ПТ с p-n - персодом. Они работают очень хорошо, по некоторым параметрам опережая КМОП - ключи. В частности, ключи на ПТ p-n - переходом фирмы PMI имеют совершенно неизменное Rвкл, не зависящее от аналогового напряжения, полное отсутствие эффекта защелкивания и мало подвержены электростатическому пробою.
Другие недостатки ключей. Вот некоторые дополнительные параметры аналоговых ключей, которые могут быть важными или не являться таковыми в том или ином конкретном применении: время переключения, время установления, задержка размыкания перед замыканием, ток утечки канала (как в замкнутом, так и в разомкнутом состоянии; см. разд. 4.15), согласованность Rвкл и темп. коэф. Rвкл, диапазоны изменения сигнала и напряжения питания. Мы проявим недюжинное самообладание, поставив на этом точку и предоставив читателю самому входить во все подробности, если конкретное применение потребует этого.