3.07. Усилители на ПТ
Истоковые повторители и усилители на ПТ с общим истоком-это аналоги эмиттерных повторителей и усилителей с общим эмиттером на биполярных транзисторах, о которых мы говорили в предыдущей главе. Однако отсутствие постоянного тока затвора дает возможность получить очень высокое входное сопротивление. Такие усилители необходимы, когда мы имеем дело с высокоомными источниками сигналов, встречающимися в измерительных схемах. Для некоторых специализированных применений вы, может быть, захотите построить повторители или усилители на дискретных ПТ, однако в большинстве случаев можно использовать достоинства, которыми обладают ОУ с ПТ - входом. В любом случае стоит понять, как они работают.
Когда мы имеем дело с ПТ, то обычно применяется та же схема автоматического смешения, что и в источниках тока на ПТ с p-n - переходом (разд. 3.06) с одним резистором смешения затвора, подключенным вторым выводом к земле (рис. 3.21): для МОП - транзисторов требуется делитель, питаемый от источника напряжения стока, или расщепленный источник, как это было и в случае с биполярными транзисторами. Резистор смещения затвора может иметь очень большое сопротивление (свыше МОм), поскольку ток утечки затвора измеряется наноамперами.

Рис. 3.21.
Крутизна. Отсутствие тока затвора делает естественным параметром, характеризующим усиление ПТ, крутизну - отношение выходного тока к входному напряжению:
gm = iвых/uвх.
Это отличается от того, как мы рассматривали биполярные транзисторы в предыдущей главе, где мы вначале носились с идеей усиления по току (iвых/iвх) а затем ввели ориентированную на параметр крутизны модель Эберса-Молла: полезно было посмотреть на биполярные транзисторы с разных сторон, в зависимости от их применения.
Крутизна ПТ может быть оценена по характеристике либо по тому, насколько увеличивается Ic при переходе от одной кривой с фиксированным значением напряжения затвора к другой из семейства кривых (рис. 3.2 или 3.17). либо, что проще, по наклон} кривых «передаточных характеристик» Ic - Uзи (Рис 3.14). Крутизна зависит от тока стока (вскоре мы увидим как) и определяется просто как
gm(Ic) = iс/uзи.
(Напомним, что строчными латинскими буквами обозначаются малосигнальные приращения.) Из этого выражения мы получаем коэффициент усиления по напряжению:
Кс = uс/uзи = - Rсic/uзи = - gmRс,
тот же результат, что и для биполярного транзистора в разд. 2.09, если заменить резистор нагрузки Rк на Rc. Как правило, крутизна ПТ равняется нескольким тысячам микросименс (мкСм) при токе стока в несколько миллиампер. Поскольку gm зависит от тока стока, существует некоторая нелинейность, связанная с зависимостью коэффициента усиления от изменения тока стока на протяжении периода сигнала, подобно тому, как это бывает в усилителе с заземленным эмиттером, где gm = 1/rэ пропорциональна Ic. Кроме того, ПТ в общем имеют значительно меньшую крутизну, чем биполярные транзисторы, что делает их менее подходящими для построения усилителей и повторителей. Рассмотрим это немного подробнее.
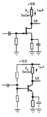
Сравнение крутизны ПТ и биполярных транзисторов. Чтобы перевести наше последнее замечание в числа, рассмотрим ПТ с p-n - переходом и биполярный транзистор, каждый с рабочим током 1 мА. Представим, что они включены как усилители с общим истоком (эмиттером), а сток (коллектор) через резистор 5 кОм подключен к источнику питания +10 В (рис. 3.22). Не будем обращать внимания на детали смещения и сосредоточимся на рассмотрении коэффициента усиления. Биполярный транзистор имеет rэ, равное 25 Ом. а следовательно, gm = 40 мСм и коэффициент усиления по напряжению - 200 (что можно получить прямым расчетом как - Rк/rэ). Типичный ПТ с p-n - переходом (например, 2N4220) имеет gm, порядка 2 мСм при токе стока 1 мА, давая коэффициент усиления по напряжению порядка - 10. Это сравнение выглядит обескураживающим. Малая gm дает также относительно высокое Zвых в схеме повторителя (рис. 3.23): ПТ с p-n - переходом имеет Zвых = 1/gm, что в данном случае эквивалентно 500 Ом (независимо от сопротивления источника сигнала); в сравнении с этим биполярный транзистор имеет Zвых = Rc/h21э + rэ = Rc/h21э + 1/gm, равное Rc/h21э + 25 Ом (при 1 мА). Для типичного бета-биполярного транзистора, скажем h21э = 100, и при разумных значениях сопротивления источника сигнала, скажем при Rc < 5 кОм, биполярный повторитель на порядок лучше (Zвых равно 25 - 75 Ом). Отметим, однако, что при Rc > 50 кОм повторитель на ПТ с p-n - переходом будет лучше.

Рис. 3.22.

Рис. 3.23. Выходное сопротивление повторителей напряжения на ПТ с р-n - переходом (а) и биполярном транзисторе (б).
Чтобы видеть, что происходит, вернемся к выражениям зависимости тока стока ПТ от напряжения затвор-исток и сравним с эквивалентным уравнением (Эберса-Молла) зависимости тока коллектора биполярного транзистора от напряжения база-эмиттер.
Биполярный транзистор (уравнение Эберса - Молла):
Iк = Iс[ехр(Uбэ/Uт)- 1],
где Uт = kT/q = 25мВ. что дает gm = dIк dUбэ = Iк/Uт для коллекторного тока, большого в сравнении с током «утечки» Iс. Это уже знакомый нам результат - rэ(Ом) = 25/Iк(мА), поскольку gm = 1/rэ.
Ic ≈ exp(Uзи).
что, будучи экспоненциальным подобием уравнения Эберса-Молла, также дает пропорциональную зависимость крутизны от тока. Однако для наблюдающихся в реальности значений к (который зависит от геометрии ПТ, подвижности носителей и т. п.) крутизна ПТ несколько ниже, чем у биполярного транзистора, - около I/40 мВ для p- канального МОП - транзистора и около I/60 мВ для n- канального МОП - транзистора, тогда как у биполярных транзисторов она равна I/25 мВ. По мере увеличения тока ПТ входит в нормальную область «насыщения», где
Ic = k(Uзи - Uт)2.
что дает gm = 2(kIс)1/2. Это означает, что крутизна растет пропорционально лишь корню квадратному из Ic и становится намного меньше крутизны биполярного транзистора при тех же значениях рабочего тока (см. рис. 3.24). Увеличение постоянной к в предыдущих уравнениях (за счет увеличения отношения ширины канала к его длине) увеличивает крутизну (и ток стока при данном значении Uзи) в надпороговой области, но все равно крутизна остается меньше, чем у биполярного транзистора при том же токе.

Рис. 3.24. Сравнение gm биполярных и полевых транзисторов. 1 биполярный транзистор; 2 p- канальный МОП - транзистор; З n- канальный МОП - транзистор.
Упражнение 3.3. Выведите предыдущие выражения для gm, взяв производную Iвых относительно Uвх.
Проблему низкого коэффициента усиления в усилителях на ПТ можно разрешить, обратившись к нагрузке в виде источника тока (активной), однако вновь биполярный транзистор будет лучше в той же схеме. По этой причине редко можно видеть ПТ в схемах простых усилителей, если только не нужно использовать их уникальные входные параметры (исключительно высокое входное сопротивление и малый входной ток).
Обратите внимание на то. что крутизна ПТ в области насыщения пропорциональна Uзи - Uт; так. например. ПТ с p-n - переходом, на затвор которого подано напряжение, равное половине напряжения отсечки, имеет крутизну примерно вполовину меньше, чем приведенная в паспорте (где она всегда дается при Iс = IСнач, т,е, при Uзи = 0).
Дифференциальные усилители. Можно использовать согласованные пары ПТ для построения входных каскадов с высоким полным входным сопротивлением биполярных дифференциальных усилителей, а также играющих важную роль ОУ и компараторов, которые мы встретим в еледуЮщей главе. Как отмечалось выше, значительный разброс Uзи у ПТ приведет, вообще говоря, к большим значениям входного напряжения сдвига и его дрейфа, чем у аналогичного усилителя, построенного исключительно на биполярных транзисторах; зато входное полное сопротивление колоссально возрастет.
Генераторы. Вообще говоря, ПТ по своим характеристикам могут быть хорошей заменой биполярных транзисторов почти в любой схеме, которая выигрывает благодаря их уникально высокому полному входному сопротивлению и малому входному току смещения. Примерами таких схем являются высокостабильные LC-генераторы и кварцевые генераторы, которые мы представим в разд. 5.18, 5.19.
Активная нагрузка. Так же как и для усилителей на биполярных транзисторах, в усилителе на ПТ можно заменить резистор нагрузки стока активной нагрузкой, т.е. источником тока. При этом можно получить очень большой коэффициент усиления по напряжению:
KU = - gmRc (резистор нагрузки стока),
KU = - gmR0 (источник тока).
где R0 - полное сопротивление в цепи стока, обычно лежащее в диапазоне значений от 100 кОм до 1 МОм.
Одним из вариантов активной нагрузки является токовое зеркало, включенное в качестве нагрузки стока в дифференциальном каскаде на ПТ (см. разд. 2.18); эта схема, однако, не обеспечивает стабильного смещения, если не охватить ее обшей цепью обратной связи. Токовое зеркало можно построить как на ПТ. так и на оиполярных транзисторах Часто это схемное решение применяется в ОУ на ПТ, которые мы увидим в следующей главе. Другой прекрасный пример применения метода активной нагрузки вы увидите в разд. 3.14, когда мы будем рассматривать линейный усилитель на КМОП - транзисторах.