Калейдоскоп схем на операционных усилителях
4.10. Нелинейные схемы
Усилитель с переключением мощности. В тех случаях, когда нагрузка может переключаться, т.е. может быть либо подключена, либо отключена, к операционному усилителю можно подключить транзистор, который работает как переключатель. На рис. 4.24 показано, как это можно сделать. Обратите внимание на диод, который предотвращает пробой перехода база-эмиттер (на выходе 0У легко может возникнуть отрицательное напряжение, превышающее - 5 В). Для некритичных условий подойдет мощный транзистор типа 2N3055. Если ток в схеме может превышать 1 А, то рекомендуем использовать составной транзистор Дарлингтона (или мощный полевой МОП - транзистор).

Рис. 4.24.
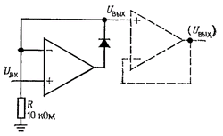
Активный выпрямитель. Если амплитуда сигналов меньше, чем падение напряжения на диоде, то выпрямлять такие сигналы с помощью диодно - резистивной схемы нельзя. Как правило, для выпрямления таких сигналов прибегают к помощи ОУ и помещают диод в цепь обратной связи (рис. 4.25). Для положительного напряжения Uвх диод обеспечивает отрицательную обратную связь выходной сигнал за счет диода повторяет сигнал на входе, причем исключается влияние падения напряжения Uбэ. При отрицательном напряжении Uвх операционный усилитель переходит в режим насыщения и напряжение Uвых становится равным потенциалу земли. Для получения меньшего выходного импеданса (при нуле на выходе) можно взять резистор R с меньшим сопротивлением, но это ведет к увеличению выходного тока операционного усилителя. Лучше всего использовать на выходе схемы повторитель на ОУ так, как показано на рис. 4.25, при этом выходное сопротивление будет очень небольшим независимо от величины сопротивления R.

Рис. 4.25. Простейший активный выпрямитель.
Представленная схема обладает недостатком, который сказывается при работе с быстро изменяющимися сигналами. Выходной сигнал - операционного усилителя не может изменяться бесконечно быстро, в связи с этим восстановление при переходе из режима насыщения в активный режим (выходной сигнал проходит через нуль в направлении снизу вверх) занимает некоторое время, в течение которого состояние выхода является правильным. Это явление иллюстрируется графиком на рис. 4.26. Выходной сигнал (жирная линия) в точности представляет собой выпрямленный входной сигнал (тонкая линия), за исключением короткого интервала времени после увеличения входного напряжения относительно 0 В. На этом интервале операционный усилитель стремительно выходит из режима насыщения, при котором напряжение на его выходе было равно - Uээ, поэтому напряжение на выходе схемы равно потенциалу земли. Для операционного усилителя общего назначения типа 411 скорость нарастания (максимальная скорость изменения выходного сигнала) составляет 15 В/мкс; следовательно, восстановление при переходе из режима насыщения в активный режим занимает приблизительно 1 мкс - это может привести к серьезным выходным ошибкам для быстрых сигналов. Положение дел можно исправить, если воспользоваться модификацией рассмотренной схемы (рис. 4.27).

Рис. 4.26. Проявление эффекта конечной скорости нарастания в простейшем активном выпрямителе.

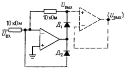
Рис. 4.27. Улучшенный активный выпрямитель.
Благодаря диоду Д1 с отрицательными входными сигналами схема работает как инвертор с единичным коэффициентом усиления. Для положительных входных сигналов диод Д2 ограничивает выходное напряжение первого ОУ по уровню, который ниже потенциала земли на величину падения напряжения на диоде, и так как диод Д1 смещен в обратном направлении, то Uвых равно потенциалу земли. Эта схема дает лучший результат, так как при переходе входного сигнала через нуль напряжение на выходе изменяется всего лишь на удвоенную величину падения напряжения на диоде. В связи с тем что напряжение на выходе операционного усилителя должно измениться только на 1,2 В, вместо того чтобы изменяться на величину Uээ, динамическая ошибка при переходе через нуль уменьшается более чем в 10 раз. Кстати говоря, этот выпрямитель является инвертирующим. Если же выходной сигнал должен быть неинвертированным, то к выходу нужно подключить инвертор с единичным коэффициентом усиления.
Характеристики приведенных здесь схем будут лучше, если использовать в них операционные усилители с большой скоростью нарастания. Скорость нарастания влияет на характеристики простых усилителей напряжения. Здесь стоит остановиться и рассмотреть, чем реальные ОУ отличаются от идеальных, так как это различие влияет, как мы уже упоминали выше, на разработку схем с операционными усилителями. Если вы будете знать в чем состоят недостатки операционных усилителей и как они влияют на разработку схем и на их характеристики, то это поможет вам правильно выбирать ОУ и эффективно разрабатывать схемы на их основе.
Подробный анализ работы операционных усилителей