Диэлектрическое поглощение
Конденсаторам присущи недостатки. Прежде всего это - утечка (параллельное сопротивление), последовательное сопротивление и индуктивность, ненулевой температурный коэффициент. Реже вспоминают про диэлектрическое поглощение - явление, которое очень ярко проявляет себя в следующей ситуации: возьмем большой танталовый конденсатор, заряженный до напряжения 10 В и быстро его разрядим, подключив к его выводам резистор 100 Ом. Удалим резистор и понаблюдаем за напряжением на конденсаторе с помощью вольтметра с большим импедансом. Представьте себе, что напряжение на конденсаторе будет восстанавливаться, и за несколько секунд достигнет величины примерно 1 В.
Явление диэлектрического поглощения (диэлектрической памяти) недостаточно изучено, полагают, что оно связано с остаточной поляризацией диэлектрического вещества; особенно плохим в этом отношении является такой диэлектрик, как слюда с присущей ей слоистой структурой. С точки зрения схемы добавочная поляризация проявляет себя так, как если бы к выводам конденсатора подключили ряд последовательных RC - цепочек (рис. 4.42, а) с постоянными времени в диапазоне от ~ 100 мкс до нескольких секунд. По свойству диэлектрического поглощения диэлектрики существенно отличаются друг от друга; графики на рис. 4.42, б, отражают зависимость сохраняемого напряжения от времени для нескольких высококачественных диэлектриков после воздействия на них сигнала в виде ступени с амплитудой 10 В и длительностью 100 мкс.

Рис. 4.42. Диэлектрическое поглощение в конденсаторах а - модель, б - зафиксированные изменения для некоторых диэлектриков (по фирменной документации Hybrid Systems HS9716).
Диэлектрическое поглощение может порождать серьезные ошибки в интеграторах и других аналоговых схемах, которые рассчитаны на идеальные характеристики конденсаторов. Если, например, к схеме выборки - запоминания подключена схема аналого-цифрового преобразования, то диэлектрическое поглощение может привести к ужасающим результатам. В подобных случаях конденсаторы нужно выбирать как можно тщательней (с этой точки зрения наилучшим диэлектриком является тефлон), лишний раз подвергая свой выбор сомнению. В особых случаях можно прибегнуть и к компенсационным схемам, в которых влияние диэлектрического поглощения конденсатора электрически устраняют с помощью тщательно настроенных RC - цепочек. Такой подход используется в некоторых высококачественных модулях выборки - запоминания, производимых фирмой Hybrid Systems.
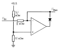
4.17. Активный ограничитель
На рис. 4.43 показан активный ограничитель, который представляет собой один из вариантов схемы, рассмотренной в гл. 1. Для показанных на схеме величин компонентов напряжение на входе, отвечающее условию Uвх < + 10 В, приводит выход ОУ в состояние насыщения, и выполняется условие Uвых = Uвх. Когда напряжение Uвх превышает 10 В, диод замыкает цепь обратной связи и фиксирует на выходе значение 10 В. В этой схеме конечная скорость нарастания ОУ является причиной появления небольших искажений (выбросов) в выходном сигнале, которые возникают в тот момент, когда входное напряжение в процессе нарастания достигает значения напряжения фиксации (рис 4.44).

Рис. 4.43.

Рис. 4.44.
Работа ОУ с одним источником питания