Работа ОУ с одним источником питания
Работа ОУ с одним источником питания
Для работы операционного усилителя не требуется иметь стабилизированные источники питания + 15 В. Можно использовать расщепленные источники более низкого напряжения или несимметричные источники (например, + 12 В и - 3 В), которые обеспечивают полный диапазон напряжения питания (U+ - U-), согласно спецификации ОУ. Часто подходящими оказываются не стабилизированные источники напряжения, так как благодаря отрицательной обратной связи обеспечивается высокое значение коэффициента ослабления влияния напряжения источника питания (для ОУ типа 411 типичным является значение 90 дБ). Во многих случаях бывает удобно, чтобы ОУ работал от одного источника питания, например + 12 В. Это можно делать и с обычным ОУ, создав «искусственное опорное напряжение» относительно земли, если позаботиться об обеспечении минимально необходимого питания, обеспечивающего диапазоны выходного и входного синфазного напряжения. В некоторых современных операционных усилителях во входной и выходной диапазоны входит и напряжение отрицательного источника (т. е. потенциал земли при работе с одним источником питания). Для таких ОУ возможность работы с одним источником особенно заманчива благодаря простоте. Однако имейте в виду, что наиболее распространено использование расщепленных симметричных источников питания.
4.21. Смещение усилителей переменного тока, использующих один источник питания.
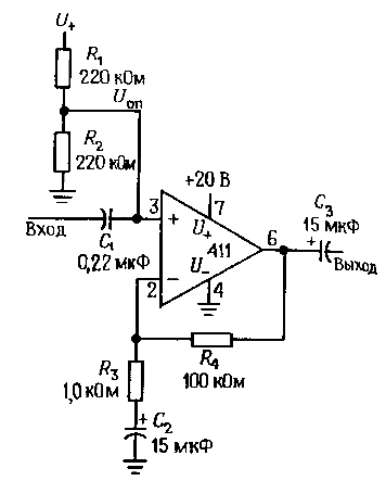
Для операционных усилителей общего назначения типа 411 размах напряжения на входах и на выходе обычно меньше диапазона напряжения питания (по абсолютной величине) на 1,5 В. Если вывод U- соединить не с источником напряжения, а с землей, то ни на входе, ни на выходе напряжение не будет равно потенциалу земли. Если же создать опорное напряжение (равное, например, 0,5 U+), то с его помощью можно сместить ОУ, и он будет работать так, как требуется (рис. 4.53). Эта схема представляет собой усилитель звуковых частот с усилением 40 дБ. Опорное напряжение Uоп = 0,5 U+ обеспечивает полный размах выходного напряжения, равный приблизительно 17 В от пика до пика (около 6 В эфф.) без среза вершин сигнала. Конденсаторы на входе и выходе блокируют уровень напряжения постоянного тока, равный Uоп.

Рис. 4.53.