Компараторы и триггер Шмитта
Очень часто бывает нужно установить, какой из двух сигналов больше, или определить, когда сигнал достигнет заданного значения. Например, при генерации треугольных колебаний через конденсатор пропускают положительный или отрицательный ток, полярность тока изменяют в тот момент, когда амплитуда достигает заданного пикового значения. Другим примером служит цифровой вольтметр. Для того чтобы преобразовать напряжение в код, на один из входов компаратора подают неизвестное напряжение, а на другой - линейно - нарастающее напряжение (конденсатор + источник тока). Цифровой счетчик подсчитывает периоды генератора пока линейно - нарастающее напряжение меньше, чем неизвестное, в момент равенства амплитуд производится считывание результата, полученного на счетчике. Результат пропорционален входному напряжению Такое преобразование называют интегрированием с одним углом наклона; в более сложных приборах используют интегрирование с двумя углами наклона (см. разд. 9.21).
4.23. Компараторы
Простейшим компаратором является дифференциальный усилитель с большим коэффициентом усиления, построенный на основе транзисторов или операционных усилителей (рис 4.59.). В зависимости от знака разности входных напряжений операционный усилитель оказывается в положительном или отрицательном насыщении. Коэффициент усиления по напряжению обычно превышает 100 000, поэтому, для того чтобы выход усилителя не насыщался, напряжение на входах должно быть равно долям милливольта. Хотя в качестве компаратора можно использовать (а часто и используют) обычный операционный усилитель, промышленность выпускает специальные интегральные схемы, предназначенные для использования в качестве компараторов. К ним относятся, например, интегральные схемы типа LM306, LM311, LM393, NE527 и TLC372. Эти кристаллы обладают очень высоким быстродействием и даже не принадлежат к семейству операционных усилителей. Например, для схемы типа NE521 скорость нарастания составляет несколько тысяч вольт в 1 мкс. Для компараторов обычно не используют термин «скорость нарастания», вместо этого говорят о задержке распространения относительно сигнала, заданного на вход.

Рис. 4.59.
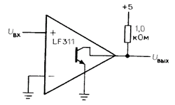
Выходные каскады компараторов обычно обладают большей гибкостью в применениях, чем выходные каскады операционных усилителей. В обычном ОУ используют двухтактный выходной каскад, который обеспечивает размах напряжения в пределах между значениями напряжения питания (например. ± 13 В для ОУ типа 741, работающего от источников ± 15 В); в выходном каскаде компаратора эмиттер, как правило, бывает заземлен и выход снимается с «открытого коллектора». С помощью внешнего резистора «притяжения» (это название просто заимствовано из другой области), подключенного к источнику напряжения, можно сделать так, чтобы сигнал на выходе изменялся в пределах, скажем, от + 15 В до потенциала земли. В дальнейшем вы увидите, что для логических схем точно определяются значения напряжений сигналов, с которыми они должны работать; описанная схема подошла бы для управления логическими схемами типа ТТЛ, получившими широкое распространение в цифровой электронике. Такая схема изображена на рис. 4.60. Напряжение на выходе переключается с уровня + 5 В на уровень потенциала земли, когда напряжение на входе становится отрицательным. Эта схема представляет собой пример использования компаратора для аналого-цифрового преобразования.

Рис. 4.60.
Это первый для нас пример схемы с открытым коллектором; прочитав гл. 8, вы увидите, что такую конфигурацию очень часто используют в логических схемах. При желании можно представить, что внешний «притягивающий» резистор дополняет внутреннюю схему компаратора и выступает в качестве коллекторной нагрузки для выходного транзистора n-p-n - типа. В связи с тем что выходной транзистор работает как насыщенный или разомкнутый переключатель, строгих требований к величине сопротивления резистора не предъявляют - обычно сопротивление выбирают в диапазоне от нескольких сотен до нескольких тысяч ом; небольшие величины сопротивления обеспечивают большую скорость переключения и повышают помехоустойчивость, правда за счет увеличения рассеиваемой мощности. Между прочим, несмотря на то что компараторы очень похожи на операционные усилители, в них никогда не используют отрицательную обратную связь, так как она понижает стабильность работы этих устройств (см. разд. 4.32 - 4.34). В то же время положительную обратную связь используют часто, вы убедитесь в этом, прочитав следующий раздел.
Некоторые пояснения по компараторам. Запомните: а) в связи с тем что в схеме нет отрицательной обратной связи, она не подчиняется правилу I; напряжения на входах неодинаковы; б) отсутствие отрицательной обратной связи приводит к тому, что входной импеданс (импеданс для дифференциального сигнала) не стремится принять высокое значение, характерное для операционного усилителя. В результате при срабатывании переключателя наблюдается изменение нагрузки и изменение (небольшое) входного тока - если импеданс управляющей схемы очень велик, то могут возникнуть весьма странные явления; в) в некоторых компараторах размах дифференциального входного сигнала ограничен и составляет иногда всего + 5 В. Внимательно изучайте спецификации на интегральные схемы!
Обратная связь и усилители с конечным усилением