Обратная связь и усилители с конечным усилением
4.26. Влияние обратной связи на работу усилителей
Рассмотрим, как влияет обратная связь на работу схемы Действие обратной связи проявляется прежде всего в том, что можно заранее оценить усиление схемы и уменьшить искажения, а также в том, что изменяются входной и выходной импедансы.
Предварительная оценка усиления. Коэффициент усиления по напряжению равен А /(1 + АВ). Если считать величину коэффициента А бесконечно большой, то получим К = 1/В. Этот результат мы поручили раньше когда рассматривали не инвертирующий усилитель, в котором сигнал обратной связи подавался на инвертирующий вход с помощью делителя напряжения, подключенного к выходу (рис. 4.69). Коэффициент усиления по напряжению при замкнутой цепи обратной связи представляет собой величину, обратную коэффициенту передачи делителя напряжения. В том случае когда коэффициент А ограничен, обратная связь все равно уменьшает влияние изменений А (происходящих под воздействием частоты, температуры, величины сигнала и т.п.). Допустим, например, что зависимость коэффициента А от частоты можно представить в виде графика, показанного на рис. 4.67. Усилитель с такой характеристикой, без всякого сомнения, можно отнести к числу плохих (коэффициент усиления изменяется в 10 раз). Представим, что мы ввели обратную связь и В = 0,1 (подойдет простой делитель напряжения). Коэффициент усиления при замкнутой цепи обратной связи изменяется от 1000/[1 + (1000 0,1)] или 9,9 до 10 000/[1 + (10 000 0,1)], или 9,99. В том же диапазоне частот изменение коэффициента усиления составляет всего 1%. Если пользоваться терминологией, принятой в технике звуковых частот, то неравномерность характеристики усилителя без обратной связи в полосе частот составляет ± 10 дБ, а при наличии обратной связи неравномерность характеристики составляет всего ± 0,04 дБ. Если включить последовательно три таких каскада, то коэффициент усиления вновь будет равен 1000, а неравномерность остается почти такой же малой, как у одного каскада с обратной связью. Подобная задача (а именно необходимость получения плоской характеристики телефонного усилителя) привела к изобретению отрицательной обратной связи. Изобретатель Гарольд Блэк писал (журнал Electrical Engineering, 53, 114 A934)): «Установлено, что если взять усилитель, коэффициент усиления которого больше, чем нужно, скажем на 40 дБ (10 000 - кратный запас по мощности), а затем подключить к нему цепь обратной связи таким образом, чтобы погасить избыточное усиление, то оказывается, что постоянство усиления заметно улучшается, а линейность увеличивается».

Рис. 4.67.
Если взять производную от G по А (dG/dA), то нетрудно показать, что уменьшение относительных изменений коэффициента усиления при замыкании петли обратной связи определяется величиной коэффициента грубости: ΔК/К = [1/(1 + АВ)]ΔА/А. Следовательно, для получения хорошей характеристики необходимо, чтобы коэффициент петлевого усиления АВ был значительно больше единицы. Это равносильно условию, согласно которому коэффициент усиления при разомкнутой петле обратной связи должен быть намного больше, чем коэффициент усиления при замкнутой петле обратной связи.
Увеличение стабильности сопровождается уменьшением нелинейности, которая определяется изменениями коэффициента усиления в зависимости от уровня сигнала.
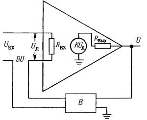
Входной импеданс. При построении схемы с обратной связью из входного напряжения или тока вычитается некоторая часть, пропорциональная выходу (такую обратную связь называют соответственно последовательной или параллельной обратной связью). Например, в не инвертирующем ОУ часть выходного напряжения вычитается из дифференциального напряжения, действующего на входе, а в инвертирующем происходит вычитание части входного тока. В этих двух случаях обратная связь противоположным образом влияет на входной импеданс. Обратная связь со сложением напряжения увеличивает входной импеданс при замкнутой петле обратной связи в (1 + АВ) раз (по сравнению с разомкнутой схемой). в то же время обратная связь со сложением тока уменьшает его во столько же раз. При стремлении коэффициента передачи петли обратной связи к бесконечности входной импеданс (со стороны входа усилителя) стремится к бесконечности или к нулю соответственно. Это и понятно, так как обратная связь со сложением напряжения стремится вычесть из входного такой сигнал, что в результате падение напряжения на входном сопротивлении усилителя будет меньше в АВ раз; это своего рода следящая связь. Обратная связь со сложением тока уменьшает сигнал на входе усилителя, подавляя его током, текущим по цепи обратной связи.
Посмотрим, как обратная связь меняет действующее значение входного импеданса на примере обратной связи со сложением напряжений. Аналогичные рассуждения вы можете провести и для второго случая. Используем модель ОУ с конечным входным сопротивлением (рис. 4.68). Входное напряжение Uвх уменьшается на величину ВUвых, и на выходах усилителя действует дифференциальное напряжение Uдиф = Uвх - ВUвых. Входной ток при этом равен
Iвх = Uвх - ВUвых/Rвх = Uвх[1 - AB(1 + AB)]/Rвх = Uвх/(1 + AB)Rвх.
Отсюда действующее значение входного сопротивления равно
Rвх = Uвх/Iвх = (1 + AB)Rвх.

Рис. 4.68.
Классическая схема не инвертирующего ОУ с обратной связью имеет точно такой вид, как показано на рис. 4.69. Для этой схемы В = R1/(R1 + R2), коэффициент усиления по напряжению определяется выражением KU = 1 - R2/Rl, для идеального случая коэффициент усиления по напряжению при разомкнутой цепи обратной связи А равен бесконечности и входной импеданс также равен бесконечности. Для конечного коэффициента передачи в петле обратной связи справедливы выражения, полученные выше.

Рис. 4.69.
Схема инвертирующего ОУ отличается от схемы не инвертирующего ОУ и анализировать ее следует отдельно. Лучше всего рассматривать ее как сочетание входного резистора, управляющего схемой с обратной связью со сложением тока (рис. 4.70). В случае обратной связи со сложением тока параллельной) на входе усилителя (инвертирующем) суммируются ток из цепи обратной связи и входной ток (такой усилитель является фактически усилителем с передаточным сопротивлением; он преобразует входной ток в выходное напряжение). Обратная связь уменьшает импеданс со стороны «суммирующего входа» R2 в (1 + А) раз (попробуйте это доказать). При очень больших значениях коэффициента передачи в петле обратной связи (например, в ОУ) входной импеданс уменьшается до долей ома, что является хорошей характеристикой для усилителей с токовым входом. В качестве примеров можно привести усилитель фотометра (разд. 4.22) и логарифмический преобразователь (разд. 4.14).

Рис. 4.70.
Классический инвертирующий ОУ, показанный на рисунке, представляет собой сочетание усилителя с параллельной обратной связью и резистора, подключенного последовательно ко входу. Входной импеданс в этом случае равен сумме сопротивления R1 и импеданса со стороны суммирующей точки. Для петли с высоким коэффициентом усиления Rвх и R1 приблизительно равны между собой.
Очень кстати сейчас в качестве упражнения вывести выражение для коэффициента усиления по напряжению для инвертирующего усилителя с конечным усилением в петле обратной связи. Выражение имеет вид
q = - A(1 - B)/(1 + AB),
где В определяется как и раньше, а именно В = R1/(R1 + R2). Для предельного значения коэффициента усиления А при разомкнутой цепи обратной связи, G = - 1/В + 1 (т.е. G = - R2/R1).
Упражнение 4.11. Выведите предыдущие выражения для входного импеданса и коэффициента усиления инвертирующего усилителя.
Очень кстати сейчас в качестве упражнения вывести выражение для коэффициента усиления по напряжению для инвертирующего усилителя с конечным усилением в петле обратной связи. Выражение имеет вид
q = - A(1 - B)/(1 + AB),
Выходной импеданс. Обратим теперь внимание на то, что цепь обратной связи передает с выхода на вход сигнал, пропорциональный либо выходному напряжению, либо току нагрузки. В первом случае выходной импеданс при замыкании обратной связи уменьшается в A + АВ) раз, а во втором - во столько же раз увеличивается. Рассмотрим это явление на примере напряжения. Начнем с модели, представленной на рис. 4.71. На этой схеме выходной импеданс показан в явном виде. Для упрощения вычислений воспользуемся следующим приемом: замкнем вход накоротко и положим, что выходное напряжение равно U; определив выходной ток I, найдем выходной импеданс Rвых = U/I. Напряжение U на выходе создает на входе усилителя падение напряжения, равное - B/U, которое в свою очередь создает во внутреннем генераторе усилителя напряжение - ABU. Выходной ток при этом равен
I = U - (- ABU)/Rвых = U(1 + АВ)/Rвых,
следовательно, действующий выходной импеданс определяется выражением
Rвых = U/I = Rвых/(l + AB).

Рис. 4.71.
Если используется обратная связь по току, т. е. сигнал обратной связи пропорционален току в нагрузке, то выражение для выходного импеданса принимает вид
Rвых = Rвых/(1 + AB).
Можно использовать несколько цепей обратной связи как по току, так и по напряжению. В общем случае выходной импеданс определяется формулой Блэкмана:
Rвых = Rвых[1 + (AB)к.з./1 + (АВ)х.х.],
где (АВ)к.з., - коэффициент передачи цепи обратной связи при коротком замыкании выхода; (АВ)х.х. - коэффициент передачи цепи обратной связи при обрыве цепи нагрузки (на холостом ходу). Таким образом, с помощью обратной связи можно получить нужный выходной импеданс. Это выражение есть обобщение полученных выше результатов для произвольной комбинации обратных связей по току и по напряжению.
Цепь ОС и нагрузка усилителя. Выполняя расчеты для схем с обратной связью, обычно предполагают, что β - цепь не нагружает выход усилителя. В противном случае это следует учесть при расчете коэффициента усиления при разомкнутой петле обратной связи. Точно так же, если подключение β - цепи на входе усилителя влияет на величину коэффициента усиления без обратной связи (обратная связь устранена, но подключение выполнено), следует использовать модифицированный коэффициент усиления разомкнутой петли обратной связи. И наконец, обычно предполагается, что β - цепь является направленной, т.е. она не передает сигнал со входа на выход.
Некоторые типичные схемы с операционными усилителями