Основные схемы включения операционных усилителей
4.05. Неинвертирующий усилитель
Рассмотрим схему на рис. 4.5. Анализ ее крайне прост: UA = Uвх. Напряжение UA снимается с делителя напряжения: UA = UвыхR1/(R1 + R2). Если UA = Uвх, то коэффициент усиления = Uвых/Uвх = 1 + R2/R1. Это неинвертирующий усилитель. В приближении, которым мы воспользуемся, входной импеданс этого усилителя бесконечен (для ОУ типа 411 он составляет 1012 Ом и больше, для ОУ на биполярных транзисторах обычно превышает 108 Ом). Выходной импеданс, как и в предыдущем случае, равен долям ома. Если, как в случае с инвертирующим усилителем, мы внимательно рассмотрим поведение схемы при изменении напряжения на входах, то увидим, что она работает, как обещано.

Рис. 4.5.
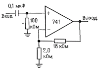
Эта схема также представляет собой усилитель постоянного тока. Если источник сигнала и усилитель связаны между собой по переменному току, то для входного тока (очень небольшого по величине) нужно предусмотреть заземление, как показано на рис. 4.6. Для представленных на схеме величин компонентов коэффициент усиления по напряжению равен 10, а точке - 3 дБ соответствует частота 16 Гц.

Рис. 4.6.
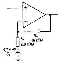
Усилитель переменного тока. Если усиливаются только сигналы переменного тока, то можно уменьшить коэффициент усиления для сигналов постоянного тока до единицы, особенно если усилитель обладает большим коэффициентом усиления по напряжению. Это позволяет уменьшить влияние всегда существующего конечного «приведенного ко входу напряжения сдвига». Для схемы, представленной на рис. 4.7, точке - 3 дБ соответствует частота 17 Гц; на этой частоте импеданс конденсатора равен 2,0 кОм. Обратите внимание, что конденсатор должен быть большим. Если для построения усилителя переменного тока использовать неинвертирующий усилитель с большим усилением, то конденсатор может оказаться чрезмерно большим. В этом случае лучше обойтись без конденсатора и настроить напряжение сдвига так, чтобы оно было равно нулю (этот вопрос мы рассмотрим позже в разд. 4.12). Можно воспользоваться другим методом - увеличить сопротивления резисторов R1 и R2 и использовать Т-образную схему делителя (разд. 4.18).
Несмотря на высокий входной импеданс, к которому всегда стремятся разработчики, схеме неинвертируюпдего усилите тя не всегда отдают предпочтение перед схемой инвертирующего усилителя. Как мы увидим в дальнейшем, инвертирующий усилитель не предъявляет столь высоких требований к ОУ и, следовательно, обладает несколько лучшими характеристиками. Кроме того, благодаря мнимому заземлению удобно комбинировать сигналы без их взаимного влияния друг на друга. И наконец, если рассматриваемая схема подключена к выходу (стабильному) другого ОУ, то величина входного импеданса для вас безразлична - это может быть 10 кОм или бесконечность, так как в любом случае предыдущий каскад будет выполнять свои функции по отношению к последующему.

Рис. 4.7.
Калейдоскоп схем на операционных усилителях