Калейдоскоп схем на операционных усилителях
Калейдоскоп схем на операционных усилителях
Мы предоставляем читателю право самостоятельно проанализировать работу приведенных ниже схем.
4.09. Линейные схемы
Схема с инвертированием по выбору. Схемы, представленные на рис. 4.14, позволяют инвертировать входной сигнал или пропускать его без инвертирования в зависимости от положения переключателя. Положение переключателя определяет также коэффициент усиления по напряжению - он может быть равен или +1, или -1.

Рис. 4.14.
Упражнение 4.5. Покажите, что схемы, представленные на рис. 4.14, работают так, как сказано выше.
Повторитель со следящей связью. В транзисторных усилителях на величину входного импеданса могут влиять цепи смешения; такая же проблема возникает при использовании ОУ, особенно с межкаскадными связями по переменному току, когда ко входу обязательно должен быть подключен заземленный резистор. Схема со следящей связью, представленная на рис. 4.15. позволяет решить эту проблему. Как и в транзисторной схеме со следящей связью (разд. 2.17), конденсатор емкостью 0,1 мкФ вместе с верхним резистором с сопротивлением 1 МОм образует для входных сигналов высокоомную входную цепь. Низкочастотный спад усиления для этой схемы начинается на частоте 10 Гц, на более низких частотах на спаде усиления начинает сказываться влияние обоих конденсаторов и ослабление оценивается величиной 12дБ/октава. Замечание: у вас может появиться искушение уменьшить величину входного конденсатора связи, так как его нагрузка привязана к высокому импедансу. Однако, это может привести к появлению пика в частотной характеристике, как в характеристике схемы активного фильтра (см. разд. 5.06).

Рис. 4.15.
Идеальный преобразователь тока в напряжение. Напомним, что простейшим преобразователь тока в напряжение - это всего - навсего резистор. Однако у него есть недостаток, который состоит в том, что для источника входного сигнала входное сопротивление такого преобразователя не равно нулю; этот недостаток может оказаться очень серьезным, если устройство, обеспечивающее входной ток, имеет очень малый выходной рабочий диапазон или не может обеспечить постоянство тока при изменении выходного напряжения. Примером может служить диодный фотоэлемент (фотодиод), или солнечная батарея. Небольшой светочувствительностью обладают даже обычные диоды в прозрачных корпусах, которые используются почти в любой схеме (известно немало историй о загадочном поведении схем которое в конце концов было объяснено этим эффектом). На рис. 4.16 представлена хорошая схема для преобразования тока в напряжение, в которой потенциал входа поддерживается строго равным потенциалу земли. Инвертирующий вход имеет квазинуль потенциала; это очень хорошо, так как фотодиод может создавать потенциал, равный всего нескольким десятым долям вольта. Представленная схема обеспечивает преобразование тока в напряжение в отношении 1 В на 1 мкА входного тока. (В ОУ с биполярными плоскостными транзисторами на входах иногда между неинвертирующим входом и землей включают резистор: его функции мы определим, когда будем обсуждать недостатки операционных усилителей).

Рис. 4.16.
Безусловно, этот преобразователь тока в напряжение можно с таким же успехом использовать с элементами, через которые протекает ток при наличии положительного напряжения возбуждения, например Uкк. В такую схему часто включают фотоумножители и фототранзисторы (оба элемента под воздействием света начинают потреблять ток от положительно источника питания (рис. 4.17).
Упражнение 4.4. Используя ОУ типа 411 и измерительный прибор на 1 мА (полный размах шкалы), разработайте схему «идеального» измерителя тока (т.е. с нулевым входным импедансом) с полным размахом шкалы, рассчитанным на 5 мА. Разработайте схему так, чтобы входной сигнал никогда не превышал ±150% полного размаха шкалы. Предположите, что диапазон выходного сигнала для ОУ типа 411 составляет ±13 В (источники питания ±15 В), а внутреннее сопротивление измерительного прибора равно 500 Ом.

Рис. 4.17.
Дифференциальный усилитель. На рис. 4.18 представлена схема дифференциального усилителя, коэффициент усиления которого равен R2/R1. В этой схеме, как и в схеме источника тока с согласованными резисторами, для получения высокого значения КОСС необходимо обеспечить точное согласование резисторов. Для этого лучше всего при первом удобном случае создать запас резисторов с сопротивлением 100 кОм и точностью 0,01%. Коэффициент усиления дифференциального усилителя будет равен единице, но этот недостаток легко устранить за счет последующих усилительных каскадов (с несимметричным входом). Более подробно дифференциальные усилители рассмотрены в гл. 7.

Рис. 4.18.
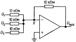
Суммирующий усилитель. Схема, показанная на рис. 4.19, представляет собой один из вариантов инвертирующего усилителя. Точка X имеет потенциальный нуль, поэтому входной ток равен U1/R + U2/R + U3/R, отсюда Uвых = - (Ul + U2 + U3). Обратите внимание, что входные сигналы могут быть как положительными, так и отрицательными. Кроме того, входные резисторы не обязательно должны быть одинаковыми; если они неодинаковы, то получим взвешенную сумму. Например, схема может иметь 4 входа, на каждом из которых напряжение равно + 1 В или О В; входы представляют двоичные значения: 1, 2, 4 и 8. Если использовать резисторы с сопротивлением 10, 5, 2,5 и 1,25 кОм. то снимаемое с выхода напряжение (в вольтах) будет пропорционально двоичному числу, которое задано на входе. Эту схему нетрудно расширить до нескольких цифр. Описанный метод представления чисел лежит в основе цифро-аналогового преобразования, правда, на входе преобразователя обычно используют другую схему (резистивную сетку R - 2R).

Рис. 4.19.
Упражнение 4.5. Постройте схему цифро-аналогового преобразователя на две десятичные цифры, подобрав соответствующим образом входные резисторы для суммирующего усилителя. Цифровой вход должен представлять собой две цифры; каждый вход должен состоять из четырех шин, соответствующих значениям 1, 2, 4 и 8, из которых формируется десятичная цифра. Потенциал входной шины может быть равен потенциалу земли или +1 В, т. е. восемь входных шин соответствуют числам 1, 2, 4. 8. 10. 20, 40 и 80. В связи с тем, что диапазон выходного сигнала ограничен значениями ±13 В, нужно сделать так, чтобы выходное напряжение (в вольтах) составляло одну десятую часть числа на входе.
Предусилитель для электромагнитного звукоснимателя. Предусилитель для звукоснимателя по стандарту RIAA представляет собой пример усилителя с частотной характеристикой особого вида. При записи звука на пластинку амплитудная характеристика имеет почти плоский вид, с другой стороны, электромагнитный звукосниматель реагирует на скорость движения иглы в бороздке диска, следовательно, усилитель воспроизведения должен иметь подъем частотной характеристики на низких частотах. Такую характеристику обеспечивает схема, показанная на рис. 4.20. График представляет собой частотную характеристику усилителя воспроизведения (построенную относительно значения коэффициента усиления 0 дБ при частоте 1 кГц), точки перегиба графика отмечены в единицах времени. Заземленный конденсатор емкостью 47 мкФ уменьшает коэффициент усиления по постоянному току до единицы, в противном случае он был бы равен 1000; как упоминалось выше, это делается для того, чтобы устранить усиление входного сдвига по постоянному току Использованная в примере интегральная схема типа LM833 представляет собой сдвоенный ОУ, предназначенный для использования в звуковом диапазоне («золотой» для данного примера является схема типа LM1028, которая в 13 дБ раз тише ив 10 дБ раз дороже, чем схема типа 833!).

Рис. 4.20. Операционный усилитель в схеме предусилителя звуковых частот для электрофонов с электромагнитной головкой и коррекцией частотной характеристики по стандарту RIAA.
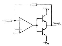
Усилитель мощности (бустер). Для получения больших выходных токов к выходу ОУ можно подключить мощный транзисторный повторитель (рис. 4.21). В примере использован неинвертирующий усилитель, но повторитель можно подключать к любом операционному усилителю. Обратите внимание, что сигнал обратной связи снимается с эмиттера; следовательно, обратная связь определяет нужное выходное напряжение независимо от падения напряжения Uбэ. При использовании этой схемы возникает обычная проблема, связанная с тем, что повторитель может только отдавать ток (для n-p-n - транзистора). Как и в случае транзисторного повторителя, проблема решается применением двухтактного варианта схемы (рис. 4.22). В дальнейшем мы покажем, что ограниченная скорость, с которой может изменяться напряжение на выходе (скорость нарастания), накладывает серьезные ограничения на быстродействие усилителя в переходной области и вызывает переходные искажения. Если усилитель будет использоваться в системе с малым быстродействием, то смешать двухтактную пару в состоянии покоя не нужно, так как переходные искажения будут в основном устранены за счет обратной связи. Промышленность выпускает несколько типов интегральных схем усилителей мощности для операционных усилителей, например LT1010, ОРА633 и 3553. Эти двухтактные усилители с единичным коэффициентом усиления работают на частотах до 100 МГц и выше, их выходной ток равен 200 мА. Их смело можно охватывать петлей обратной связи.

Рис. 4.21.

Рис. 4.22.
Источник питания. Операционный усилитель может работать как усилитель в стабилизаторе напряжения с обратной связью (рис. 4.23). Операционный усилитель сравнивает выходное напряжение с эталонным напряжением стабилитрона и соответственно управляет составным транзистором Дарлингтона, выполняющим функции «проходного транзистора». Эта схема обеспечивает стабилизированное напряжение 10 В при протекании через нагрузку тока до 1 А. Некоторые замечания по этой схеме:
1. Делитель, с которого снимается выходное напряжение, может быть выполнен в виде потенциометра, тогда выходное напряжение можно будет регулировать.
2. Для ослабления пульсаций на зенеровском диоде (стабилитроне) резистор с сопротивлением 10 кОм полезно заменить источником тока. Другой вариант состоит в том, чтобы смещение зенеровского диода задавать от выходного сигнала; в этом случае вы с пользой применяете стабилизатор, который построили. Замечание: если вы захотите воспользоваться этим трюком, то внимательно проанализируйте вашу схему и убедитесь в том, что она запускается, когда на нее подается питание.
3. Схема, подобная рассмотренной, может быть повреждена при возникновении короткого замыкания на выходе. Это связано с тем, что при этом ОУ стремится обеспечить протекание через составной транзистор очень большого тока. В стабилизированном источнике питания всегда следует предусматривать схему для ограничения «аварийного» тока (более подробно вы познакомитесь с этим вопросом в разд. 6.05).
4. Промышленность выпускает разнообразные стабилизаторы напряжения в интегральном исполнении, начиная от освященных временем интегральных схем типа 723 до недавно появившихся 3-выводных регулируемых стабилизаторов с внутренними средствами ограничения тока и ограничения по перегреву (см. табл. 6.8-6.10). Эти устройства, в которых имеются встроенные температурно-компенсированный источник эталонного напряжения и проходной транзистор, Так удобны в работе, что операционные усилители общего назначения теперь почти никогда не используются в стабилизатоpax напряжения. Исключением являются случаи, когда стабильное напряжение нужно сформировать внутри схемы. уже имеющей стабилизированный источник напряжения.

Рис. 4.23.
В гл. 6 мы подробно поговорим о стабилизаторах напряжения и источниках питания и рассмотрим специальные интегральные схемы, предназначенные для использования в качестве стабилизаторов напряжения.
Подробный анализ работы операционных усилителей