5.10. Построение фильтров на гираторах
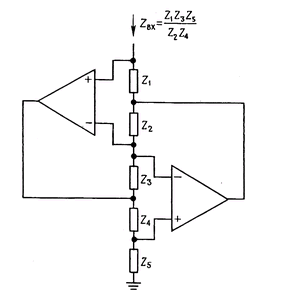
Интересный тип активного фильтра можно создать с помощью гираторов; в основном они используются для замены катушек индуктивности в традиционных конструкциях фильтров. Распространенная гираторная схема показана на рис. 5.24. Обычно Z4 - конденсатор, а остальные полные сопротивления заменяют резисторами, имитируя, таким образом, катушку индуктивности L = kС, где k = R1R3R5/R2. Можно показать, что эта гираторная схема мало чувствительна к отклонениям параметров, как и ее пассивный RLC - прототип

Рис. 5.24. Гиратор.