5.17. Мостовые генераторы Вина и LC-генераторы
Для получения сигнала синусоидальной формы сигнала с малыми искажениями ни одна из описанных ранее схем, вообще говоря, не подходит. Хотя в большинстве функциональных генераторов на широкий диапазон частот используется «размывание» колебаний треугольной формы с помощью диодных ограничителей, в конце концов уровень искажений редко удается снизить до значений, меньших 1%. Для сравнения: большинство высококачественных звуковых колонок требуют усилителей с уровнем искажений не больше 0,1%. Для испытаний подобной звуковоспроизводящей аппаратуры требуются источники чистого синусоидального сигнала с остаточным искажением не больше 0,05%.
На низких и средних частотах хорошим источником синусоидальных колебаний с малым уровнем искажений служит мостовой генератор Вина (рис. 5.42). Идея его состоит в том, чтобы создать усилитель с обратной связью, имеющий сдвиг фазы 180° на нужной частоте, а затем отрегулировать петлевое усиление таким образом, чтобы возникли автоколебания. Для одинаковых значений R и С коэффициент усиления по напряжению выходного сигнала по отношению к сигналу на неинвертирующем входе ОУ должен быть точно равен +3,0. При меньшем усилении колебания затухают, при большем - выходной сигнал будет достигать насыщения. Искажение будет малым, пока амплитуда колебаний не выходит за пределы линейного участка характеристики усилителя, т. е. не следует допускать колебаний полного размаха. Если не применить некоторых приемов для управления усилением, то именно это и произойдет - выходной сигнал усилителя будет возрастать до уровня, при котором эффективный коэффициент усиления вследствие насыщения упадет до 3,0. Как мы увидим, эти приемы включают в себя некую управляющую усилением обратную связь с большой постоянной времени.

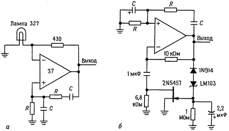
Рис. 5.42. Мостовые генераторы Вина с малыми искажениями. Выходная частота ƒ = 1/2πRС.
В первой схеме на рис. 5.42 в качестве элемента обратной связи с переменным сопротивлением используется лампа накаливания. При повышении уровня выходного сигнала нагревается нить лампы, уменьшая коэффициент неинвертирующего усиления. Искажения гармонического сигнала в показанной схеме для диапазона звуковых частот (выше 1 кГц) не превышают 0.003%: для более глубокого изучения этого вопроса см. LTC Арр. Note 5(12/84). Во второй схеме амплитудный детектор, состоящий из диодов и RС-цепи, регулирует усиление по переменному току, меняя сопротивление полевого транзистора, который при малых напряжениях ведет себя как нелинейное сопротивление (см. разд. 3.10). Следует отметить, что используется большая постоянная времени (2с); для исключения искажений это существенно, поскольку быстродействующая обратная связь исказила бы генерируемую синусоидальную волну, пытаясь регулировать ее амплитуду в пределах одного периода.