5.19. Генераторы с кварцевыми резонаторами
От RC-генератора можно легко добиться стабильности порядка 0,1% при начальной точности установки частоты от 5 до 10%. Это вполне удовлетворительно для многих применений, таких, например, как мультиплексный индикатор карманного калькулятора, где цифры многозначного числа подсвечиваются одна за другой с быстрым чередованием (обычная часто – 1кГц). В каждый момент времени горит только одна цифра, но глаз видит все число. Ясно, что точность здесь не очень важна. Несколько лучше стабильность LC-генераторов - порядка 0.01% в течение разумного промежутка времени. Этого вполне достаточно для гетеродинов радиоприемников и телевизоров.
Для получения по-настоящему стабильных колебаний незаменимы кварцевые генераторы. В них используется кусочек кварца (искусственного - двуокись кремния), вырезанный и отшлифованный таким образом, что он имеет определенную частоту колебаний. Кварц представляет собой пъезоэлектрик (его деформация вызывает появление электрического потенциала, и наоборот), поэтому упругие колебания кристалла могут быть вызваны приложением электрического поля, а эти колебания в свою очередь генерируют напряжение на гранях кристалла. Помещая на поверхность кристалла контакты, можно превратить его в истинный схемный элемент, эквивалентный некоторой RLC-схеме, заранее настроенной на определенную частоту. В самом деле эквивалентная схема этого элемента содержит два конденсатора, дающих пару близко расположенных резонансных частот - последовательного и параллельного резонанса (рис. 5.47), отличающихся друг от друга не более чем на 1%. Результат этого эффекта - резкое изменение реактивного сопротивления с частотой (рис. 5.48). Высокая добротность Q кварцевого резонатора (обычно около 10000) и хорошая стабильность делают естественным его Рис. 5.48. применение как задающего элемента в генераторах и фильтрах с улучшенными параметрами. В схемах с кварцевыми резонаторами, как и в LC-генераторах, вводят положительную обратную связь и обеспечивают надлежащее усиление на резонансной частоте, что ведет к автоколебаниям.

Рис. 5.47.

Рис. 5.48.
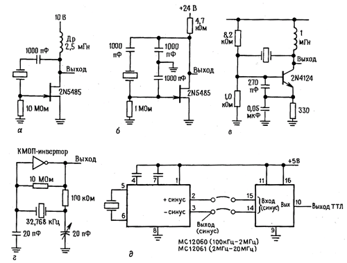
На рис. 5.49 показаны некоторые схемы кварцевых генераторов. На рис. 5.49, а показан классический генератор Пирса, в котором используется обычный полевой транзистор (см. гл. 3). На рис. 5.49, б изображен генератор Колпитца с кварцевым резонатором вместо LC-контура. В схеме на рис. 5.49, в в качестве обратной связи используется сочетание биполярного n-p-n - транзистора и кварцевого резонатора. Остальные схемы генерируют выходной сигнал с логическими уровнями при использовании цифровых логических функций(рис 5.49, г и д).

Рис. 5.49. Схемы с кварцевыми резонаторами, а - генератор Пирса, б - генератор Колпитца.
На последней диаграмме показаны схемы кварцевых генераторов, построенные ИС МС12060/12061 фирмы Motorola. Эти микросхемы предназначены для использования, совместно с кварцевыми резонаторами, диапазона частот от 100 кГц до 20 МГц и спроектированы таким образом, что обеспечивают прекрасную стабильность частоты колебаний при тщательном ограничении его амплитуды с помощью встроенного амплитудного дискриминатора и схемотехнического ограничителя. Они обеспечивают формирование выходных колебаний как синусоидальной, так и прямоугольной формы (с ТТЛ и ЭСЛ логическими уровнями).
В качестве альтернативы, а именно в тех случаях, когда достаточно иметь выходное колебание только прямоугольной формы и не предъявляются предельные требования по стабильности, можно применять законченные модули кварцевых генераторов, которые обычно выпускаются в металлических DIP-корпусах. Они предлагают стандартный набор частот например, 1, 2, 4, 5 6, 8 10 16 и 20 МГц), а также «странные» частоты, которые обычно используются в микропроцессорных системах (например, частота 14,31818 МГц используется в видеоплатах. Эти «кварцевые модули тактовой частоты», как правило, обеспечивают точность (в диапазоне температур, напряжений источника питания и времени) только 0,01% (10-4), однако они дешевы (от 2 до 11 Долл.) и вам не приходится строить схему. Кроме того, они всегда дают устойчивые колебания, тогда как при создании собственного генератора этого не всегда удается добиться. Функционирование схем генераторов на кварцевых ректорах зависит от электрических свойств самого кристалла (таких, как последовательный или параллельный режим колебаний, эффективное последовательное сопротивление и емкость монтажа), которые не всегда полностью известны. Очень часто вы можете найти, что хотя ваш самодельный кварцевый генератор и возбуждается, но на частоте, которая не соответствует той, которая указана на кварцевом резонаторе. В наших собственных изысканиях в области схем дискретных кварцевых генераторов бывало всякое.
Кварцевые резонаторы выпускаются на диапазон от 10 кГц до 10 МГц, а у некоторых образцов высокие обертоны доходят до 250 МГц. Для каждой частоты нужен свой резонатор, но для наиболее употребительных частот резонаторы выпускаются серийно. Всегда легко достать резонаторы на частоты 100 кГц, 1, 2, 4, 5 и 10 МГц. Кварцевый резонатор на частоту 3.579545 МГц (стоящий меньше доллара) применяется в генераторе импульсов цветности телевизоров. Для электронных наручных часов нужна частота 32,768 кГц (или 215 Гц), и вообще, часто нужны частоты, равные 2 какой-то степени Гц. Кварцевый генератор можно регулировать в небольшом диапазоне с помощью последовательно или параллельно включенных конденсаторов переменной емкости (см. рис. 5.49, г). Благодаря дешевизне кварцевых резонаторов всегда имеет смысл рассмотреть возможность их применения в тех случаях, когда RС-релаксационные генераторы работают на пределе своих возможностей.
При необходимости стабильную частоту кварцевого генератора можно «подгонять» электрическим способом в небольших пределах с помощью варактора. Такая схема называется УНКГ (управляемый напряжением кварцевый генератор), при этом удается соединить прекрасную стабильность кварцевых генераторов с регулируемостью LC-генераторов. Покупка коммерческого УНКГ, вероятно, является наилучшим решением проблем, возникающих при собственном проектировании. Стандартные УНКГ обеспечивают максимальные отклонения центральной частоты от номинала порядка ±10-5 - ±10-4, хотя имеются образцы с более широким диапазоном (вплоть до ±10-3).
Без особых усилий можно с помощью кварцевого резонатора обеспечить стабильность частоты порядка нескольких миллионных долей в нормальном температурном диапазоне. Применяя схемы температурной компенсации, можно построить температурно-компенсированный кварцевый генератор (ТККГ) с несколько улучшенными параметрами. Как ТККГ, так и некомпенсированный генератор выпускаются в виде готовых модулей разными фирмами, например фирмами Biley, CTS Knights, Motorola, Reeves Hoffman, Statek и Vectron. Они бывают разных габаритов, иногда не больше корпуса DIP или стандартного корпуса для транзисторов ТО-5. Дешевые модели обеспечивают стабильность порядка 10-6 в диапазоне от 0 до 50°С, дорогие - порядка 10-7 в том же диапазоне.
Температурно-компенсированные генераторы. Чтобы получить сверхвысокую стабильность, может понадобиться кварцевый генератор, работающий в условиях постоянной температуры. Обычно для этих целей используется кристалл с практически нулевым температурным коэффициентом при несколько повышенной температуре (от 80° до 90 °С), а также термостат, который эту температуру поддерживает. Выполненные подобным образом генераторы выпускаются в виде небольших законченных модулей, пригодных для монтажа и включаемых в приборы, на все стандартные частоты. Типичным модулем генератора с улучшенными характеристиками служит схема 10811 фирмы Hewlett-Packard. Она обеспечивает стабильность порядка 10-11 в течение времени от нескольких секунд до нескольких часов при частоте 10 МГц.
Если температурная нестабильность снижена до очень малых значений, то начинают доминировать другие эффекты: «старение» кристалла (тенденция частоты к уменьшению с течением времени), отклонения питания от номинала, а также внешние влияния, например удары или вибрации (последнее представляет собой наиболее серьезные проблемы в производстве кварцевых наручных часов). Один из способов решения проблемы старения: в паспортных данных генератора указывается скорость снижения частоты - не более 5·10-10 в день. Эффект старения возникает частично из-за постепеннее снятия деформаций, поэтому через несколько месяцев с момента изготовления этот эффект имеет тенденцию к устойчивому снижению, по крайней мере для хорошо сделанных кристаллов. Взятый нами за образец генератор 10811 имеет величину эффекта старения не более 10-11 в день.
В тех случаях, когда стабильность термостатированных кристаллов уже недостаточна, применяются атомные стандарты частоты. В них используются микроволновые линии поглощения в рубидиевом газонаполненном элементе или частоты атомных переходов в пучках атомов цезия в качестве эталонов, по которым стабилизируется кварцевый резонатор. Таким образом можно получить точность и стабильность порядка 10-12. Цезиевый стандарт является официальным эталоном времени в США. Эти стандарты вместе с линиями передачи времени принадлежат Национальному бюро стандартов и Морской обсерватории. Как последнее средство для самых точных частот, где нужна стабильность порядка 10-14, можно предложить мазер на атомарном водороде. Последние исследования в области создания точных часов сосредоточиваются на технических приемах, использующих «охлажденные ионы», которые позволяют достигать даже еще лучшей стабильности. Многие физики считают, что можно достичь окончательной стабильности 10-18.