5.09. Двойной Т-образный фильтр - пробка
Изображенная на рис. 5.21 пассивная RC-цепь имеет бесконечное затухание на частоте, равной ƒc = 1/2πRC. Такое бесконечное ослабление для RC-фильтров, вообще говоря, не характерно - данный фильтр действует столь эффективно благодаря сложению двух сигналов, которые на частоте среза имеют разность фаз в 180°. Получение достаточно близкого к нулю значения характеристики на частоте ƒc требует хорошего согласования элементов. Этот фильтр называется двойным Т-образным и может употребляться для устранения сигнала помехи, например сетевой наводки 60 Гц. Трудность состоит в том, что характеристика этой цепи такая же «мягкая», как и у всех пассивных RC-цепей, и лишь в окрестности частоты ƒc обрывается почти отвесно. Например, двойная Т-образная цепь, управляемая идеальным источником напряжения, имеет затухание 10 дБ на частоте, равной удвоенной (или половинной) частоте ƒc, и ослабление 3 дБ на частоте, равной учетверенной (или деленной на четыре) частоте ƒc. Один из способов улучшить характеристику этой цепи - сделать ее «активной» - по типу фильтра Саллена и Ки (рис. 5.22). Эта идея кажется в принципе хорошей, но на практике разочаровывает из-за невозможности сохранения хорошего затухания на частоте нуля. Дело в том, что при увеличении резкости провала характеристики (большее усиление в петле следящей связи) ослабление на частоте нуля уменьшается.

Рис. 5.21. Пассивный двойной Т-образный фильтр - пробка.

Рис. 5.22. Т-образный фильтр со следящей связью.
Двойные Т-образные фильтры выпускаются в виде готовых модулей на диапазон частот от 1 Гц до 50 кГц с глубиной ослабления на частоте провала около 60 дБ (с некоторым ухудшением при высоких и низких температурах). Такие фильтры легко собрать из отдельных элементов, но для получения глубокого и стабильного провала следует выбирать конденсаторы и резисторы со стабильными параметрами и низкой температурной зависимостью. Один из элементов должен быть регулируемым.
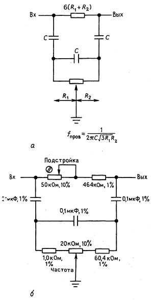
Двойной Т-образный фильтр функционирует прекрасно при фиксированной частоте провала, но основные трудности возникают при попытке сделать его перестраиваемым, поскольку три резистора необходимо изменять одновременно, сохраняя постоянным их соотношение. Однако замечательная своей простотой изображенная на рис. 5.23, а RС-схема, которая ведет себя аналогично двойной Т-образной схеме, может перестраиваться в широком диапазоне частот (по крайней мере две октавы) с помощью единственного потенциометра. Подобно двойному Т-образному фильтру (как и большинство активных фильтров), для него требуется провести определенное согласование элементов; в этом случае номиналы всех трех конденсаторов должны быть идентичны, а значение фиксированного резистора должно точно в шесть раз превышать значение нижнего (регулируемого) резистора. Сама частота подавления определяется следующим образом:
ƒпровала = 1/2πС√3R1R2.

Рис. 5.23. Регулируемый фильтр - пробка на основе постового дифференцирующего звена. Допускается настройка схемы б в диапазоне от 25 до 100 Гц.
На рис. 5.23, б показана реализация этого фильтра, которая перестраивается в диапазоне от 25 до 100 Гц. Подстроенный резистор с номиналом 50 кОм позволяет установить максимальную глубину провала.
Как и в случае пассивной двойной Т-образной схемы, этот фильтр (известный как мостовой дифференциатор) имеет пологое нарастание затухания за пределами точки провала и бесконечное затухание (при условии идеального согласования значение всех элементов) на самой частоте провала. Его также можно «активировать» с помощью подачи на отвод потенциометра следящей связи с усилителя напряжения, как правило, с коэффициентом передачи меньше единицы (как на рис. 5 22). Увеличение коэффициента передачи в петле следящей связи, а именно его приближение к единице, сужает ширину провала, а также приводит к появлению нежелательного пика характеристики со стороны более высоких частот относительно провала, наряду со снижением обеспечиваемого затухания.